EasyManua.ls Logo

Chrysler Concorde - Page 962

Chrysler Concorde
1591 pages
Print Icon
To Next Page IconTo Next Page
To Next Page IconTo Next Page
To Previous Page IconTo Previous Page
To Previous Page IconTo Previous Page
Loading...
EXHAUST MANIFOLD
DESCRIPTION
Both manifolds are a log style made of ductile cast
iron (Fig. 10). The outlets are designed for V-Band
clamp attachment of close coupled catalytic convert-
ers.
ENGINE LUBRICATION SYSTEM
DESCRIPTION
System is a full-flow filtration, pressure feed type.
The oil pump body is mounted to the engine block.
The pump inner rotor is driven by the crankshaft. A
windage tray, increases power by minimizing oil
windage at high engine RPM. For increased oil cool-
ing, an oil-to-coolant oil cooler is used. This cooler is
mounted inside the radiator tank.
OPERATION
Engine oil stored in the oil pan is drawn in and
discharged by a gerotor type oil pump. The oil pump
is directly coupled to the crankshaft. Oil pressure is
regulated by a relief valve. The oil is fed through an
oil filter and to the crankshaft journals from the oil
gallery in the cylinder block. This gallery also feeds
oil under pressure to the cylinder heads. Oil flows
through each cylinder heads oil passage to the rocker
shafts. Oil then feeds the camshaft journals, rocker
arms, and hydraulic lash adjusters (Fig. 11).
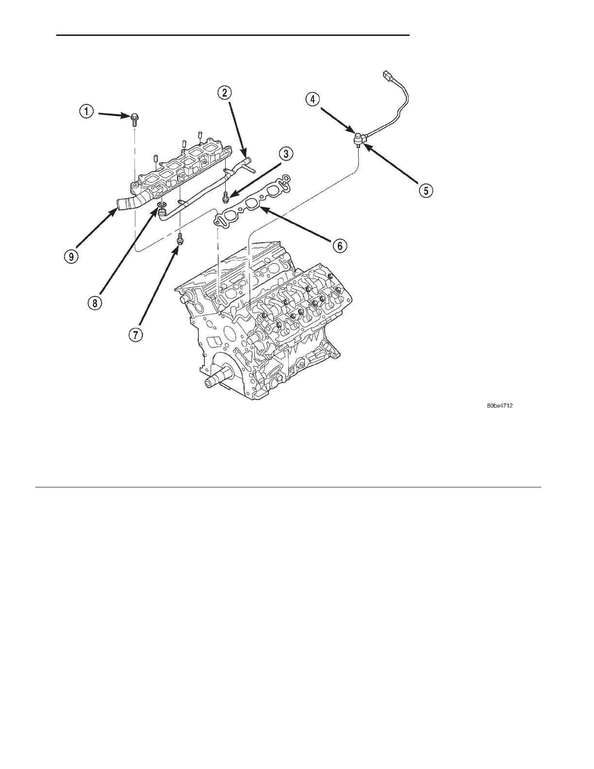
Fig. 9 Lower Intake Manifold
1 BOLT
2 HEATER SUPPLY TUBE
3 BOLT
4 BOLT
5 KNOCK SENSOR
6 GASKET
7 BOLT
8 O-RING
9 INTAKE MANIFOLD-LOWER
LH 3.2/3.5L ENGINE 9 - 81
DESCRIPTION AND OPERATION (Continued)

Table of Contents

Related product manuals