EasyManua.ls Logo

CIAT LX - Anording der Kältekreisläufe

CIAT LX
62 pages
Print Icon
To Next Page IconTo Next Page
To Next Page IconTo Next Page
To Previous Page IconTo Previous Page
To Previous Page IconTo Previous Page
Loading...
30
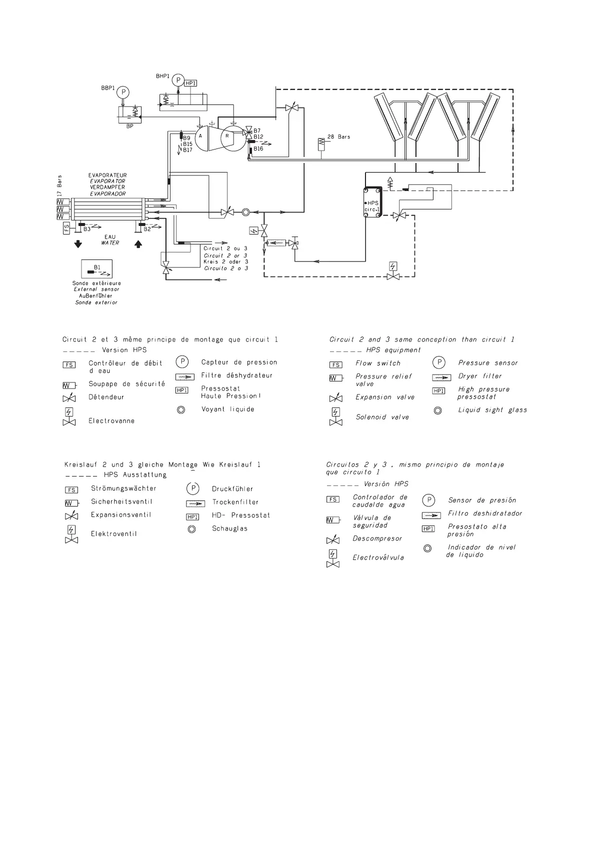
Localisation
des circuits
frigorifiques
Refrigerant
circuits
components
Anording der
Kältekreisläufe
Ubicación de los
circuitos refrigerantes
B1 external sensor 10 k
B2 evaporator water inlet sensor 10 k
B3 evaporator water outlet sensor 10 k
B7 circuit 1 discharge sensor 50 k
B9 circuit 1 suction sensor 10 k
B12 circuit 2 discharge sensor 50 k
B15 circuit 2 suction sensor 10 k
B16 circuit 3 discharge sensor 50 k
B17 circuit 3 suction sensor 10 k
B1 sonda aire exterior 10 kW
B2 sonda entrada de agua evaporador 10 k
B3 sonda salida de agua evaporador 10 k
B7 sonda de descarga circuito 1 50 k
B9 sonda de aspiración circuito 1 10 k
B12 sonda de descarga circuito 2 50 k
B15 sonda de aspiración circuito 2 10 k
B16 sonda de descarga circuito 3 50 k
B17 sonda de aspiración circuito 3 10 k
B1 sonde air extérieur 10 k
B2 sonde entrée d’eau évaporateur 10 k
B3 sonde sortie d’eau évaporateur 10 k
B7 sonde de refoulement circuit 1 50 k
B9 sonde d’aspiration circuit 1 10 k
B12 sonde de refoulement circuit 2 50 k
B15 sonde d’aspiration circuit 2 10 k
B16 sonde de refoulement circuit 3 50 k
B17 sonde d’aspiration circuit 3 10 k
B1 Externer Fühler
B2 Fühler Verdampfer Wassereintritt 10 k
B3 Fühler Verdampfer Wasseraustritt 10 k
B7 Heißgasfühler Kreis 1 50 k
B9 Überhitzungsfühler Kreis 1 10 k
B12 Heißgasfühler Kreis 2 50 k
B15 Überhitzungsfühler Kreis 2 10 k
B16 Heißgasfühler Kreis 3 50 k
B17 Überhitzungsfühler Kreis 3 10 k

Related product manuals