EasyManua.ls Logo

Cirrus SR20 - Page 237

Cirrus SR20
394 pages
Print Icon
To Next Page IconTo Next Page
To Next Page IconTo Next Page
To Previous Page IconTo Previous Page
To Previous Page IconTo Previous Page
Loading...
Cirrus Design Section 7
SR20 Airplane and Systems Description
P/N 21399-004 7-53P/N 21399-004 7-53
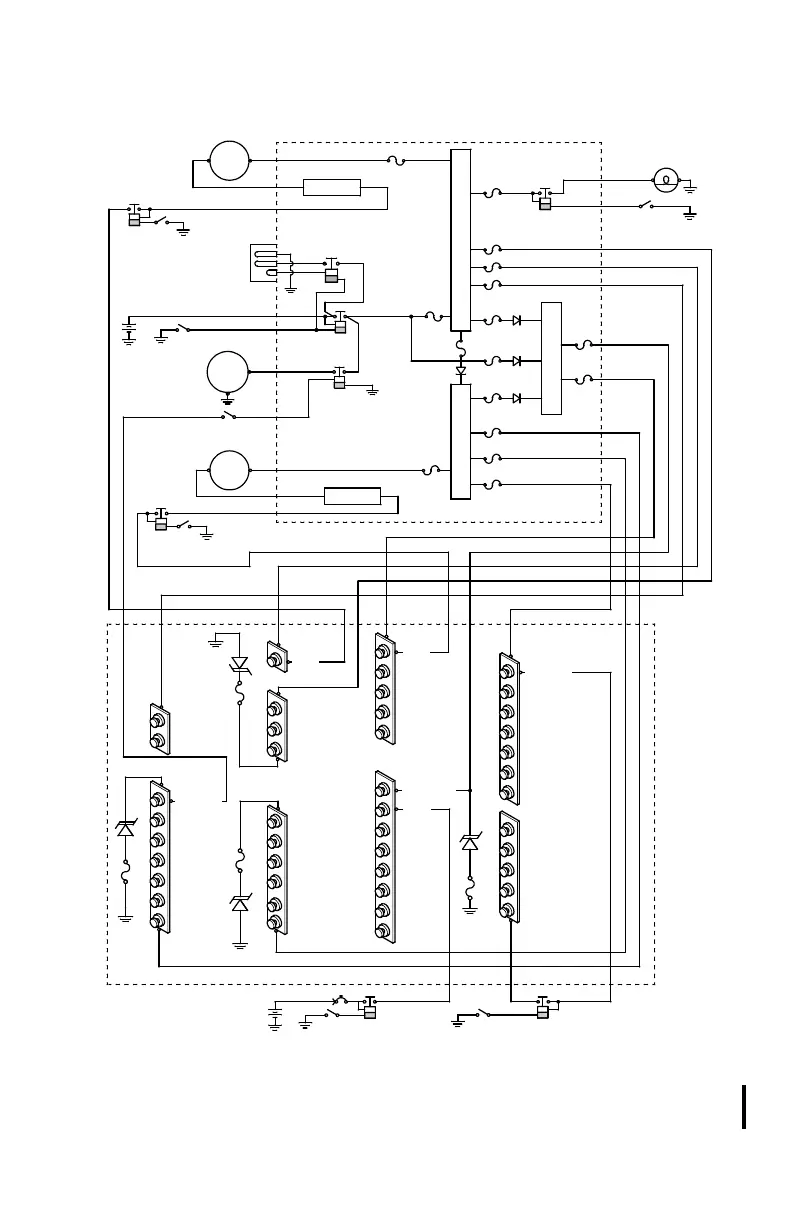
Figure 7-11
Electrical System Schematic - Serials 2016 thru 2240 (1 of 2)
30A
BAT 2
SWITCH
BAT 2
AVIONICS
SWITCH
20A
8A
8A
20A
VOLT REG
BAT 1
SWITCH
EXTERNAL
POWER
MAIN DIST BUS 2
50A
50A
80A
BAT 1
RELAY
30A
30A
30A
STARTER
SWITCH
AVIONICS
NON-ESSENTIAL
RELAY
30A
30A
STARTER
125A
EXTERNAL
POWER RELAY
STARTER
RELAY
LANDING
LIGHT
LANDING LIGHT
SWITCH
7.5A
BAT 1
ALT 1
RELAY
MAIN DIST BUS 1
30A
ALT 1
F
B
100A
VOLT REG
MASTER CONTROL UNIT
ALT 1
SWITCH
DME / ADF
AVIONICS BUS
AUDIO
PANEL
WEATHER
/ DATA LINK
TRAFFIC
XPONDER
STDBY
ATTD #2
MFD #2
MAIN BUS 1
CABIN
LIGHTS
FUEL QTY
KEYPADS
/ AP CTRL
AP SERVOS
AVIONICS
ESSENTIAL BUS 2
ENGINE
INSTR
STALL
WARNING
PITCH
TRIM
ROLL
TRIM
GPS NAV
GIA 1
COM 1
ESSENTIAL BUS 1
ADC 1
AHRS 1
PFD #1
STDBY
ATTD #1
ESSENTIAL
POWER
BAT 2
A/C BUS 1
ALT 1
MFD #1
MAIN BUS 3
12V DC
OUTLET
EVS
CAMERA
GPS NAV
GIA 2
COM 2
MAIN BUS 2
AHRS 2/
(ADC 2)
PFD #2
FUEL
PUMP
AVIONICS
FAN 2
ALT 2
A/C BUS 2
CABIN
FAN
CABIN AIR
CONTROL
NAV
LIGHTS
STROBE
LIGHTS
NON-ESSENTIAL BUS
PITOT
HEAT
FLAPS
STARTER
AVIONICS
FAN 1
RECOG
LIGHTS
ALT 2
SWITCH
CIRCUIT BREAKER PANEL
SR20_FM07_2805A
ESSENTIAL DIST BUS
30A
30A
ALT 2
F
B
80A
50A
Revision A1

Table of Contents

Other manuals for Cirrus SR20

Related product manuals