EasyManua.ls Logo

Cisco Aironet 1815w - Page 28

Cisco Aironet 1815w
56 pages
To Next Page IconTo Next Page
To Next Page IconTo Next Page
To Previous Page IconTo Previous Page
To Previous Page IconTo Previous Page
Loading...
28
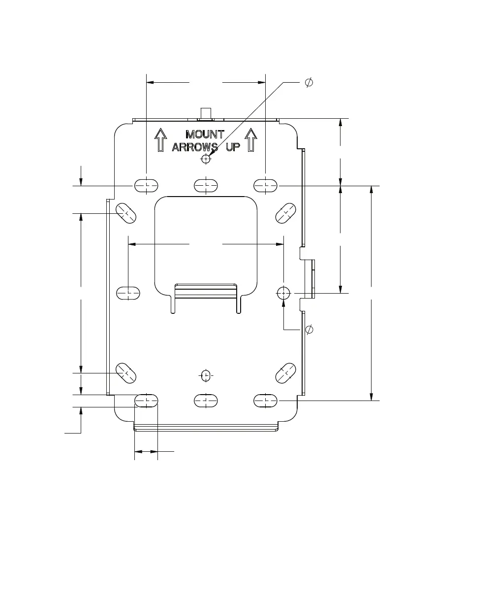
Figure 12 Dimensions of Wall-Mount Bracket AIR-AP-BRACKET-W3 (All values in millimeter)
354947
41.67
26.01
83.34
4.78
8.99
4.78
3.200
46.23
10.68
61.98
60.30

Table of Contents

Related product manuals