EasyManua.ls Logo

Cleaver-Brooks Profire E Series - Page 79

Cleaver-Brooks Profire E Series
84 pages
Print Icon
To Next Page IconTo Next Page
To Next Page IconTo Next Page
To Previous Page IconTo Previous Page
To Previous Page IconTo Previous Page
Loading...
750-297
Profire E/LNE Series Manual
8-5
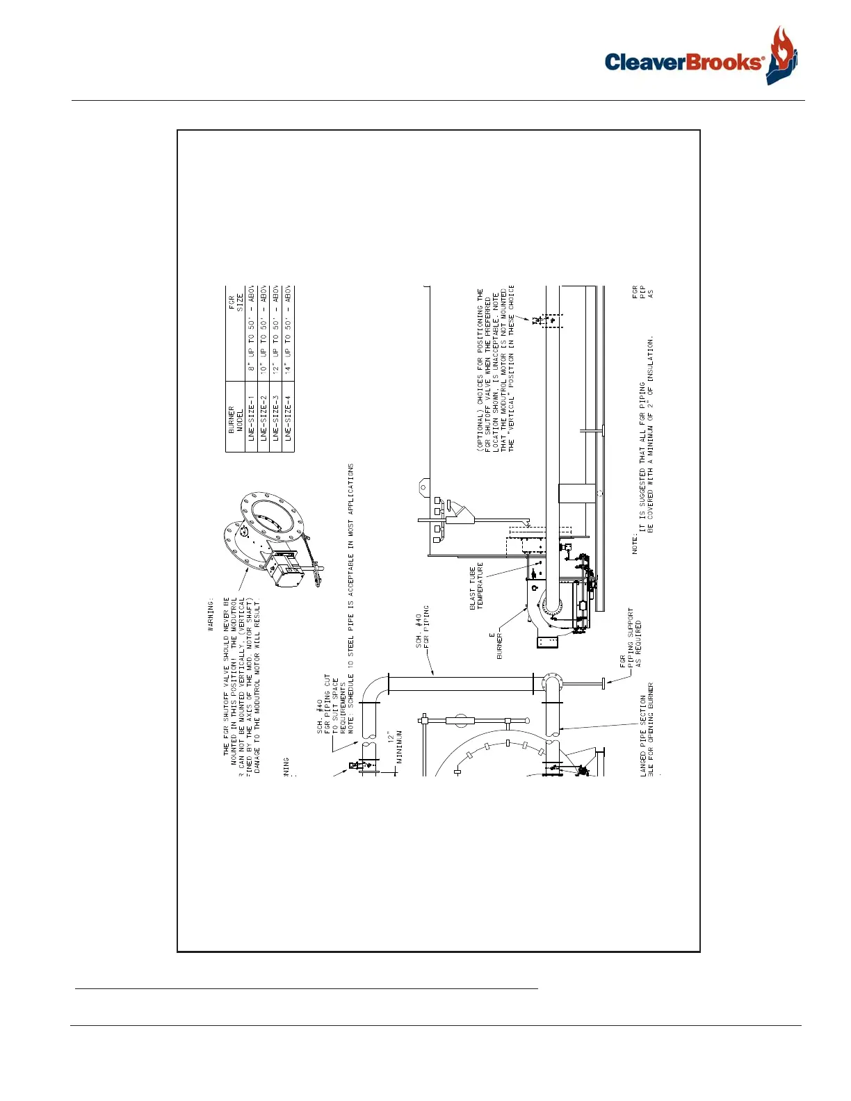
LNE Series FGR System
FIGURE 8-4. Temperature Interlocks

Table of Contents

Related product manuals