EasyManua.ls Logo

Cleco 48EAE51P3 - 3-Stage Gearing

Cleco 48EAE51P3
34 pages
Print Icon
To Next Page IconTo Next Page
To Next Page IconTo Next Page
To Previous Page IconTo Previous Page
To Previous Page IconTo Previous Page
Loading...
26 P2144BA/EN 2014-08 2144d-en_Ersatzteile.fm, 09.09.2014
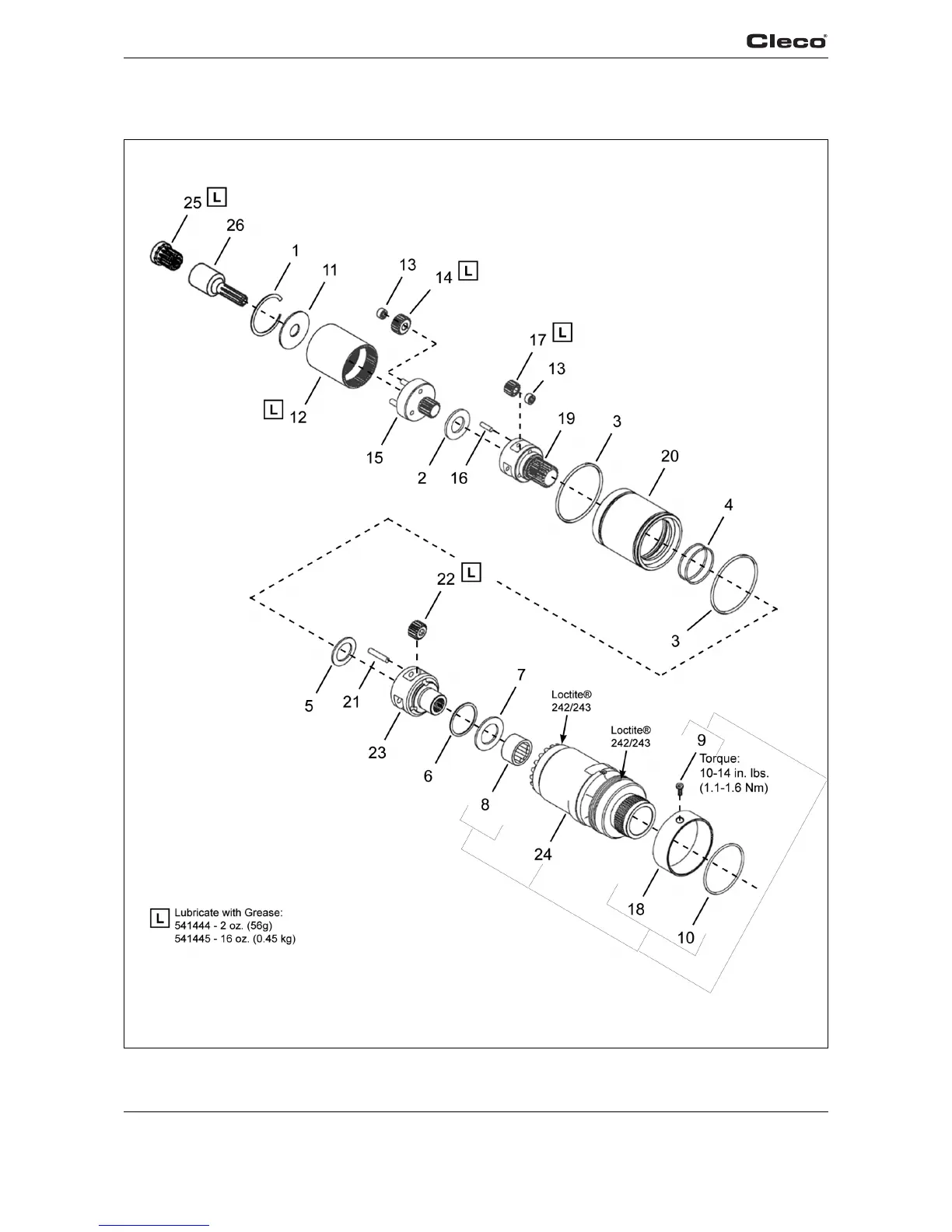
Spare parts
9
9.5 3-stage gearing
See 7.2 Lubricants, page 14
Models
48EA(E)175(--)
48EA(E)230(--)

Related product manuals