EasyManua.ls Logo

Clevo NL51CU - Audio Codec

Clevo NL51CU
94 pages
To Next Page IconTo Next Page
To Next Page IconTo Next Page
To Previous Page IconTo Previous Page
To Previous Page IconTo Previous Page
Loading...
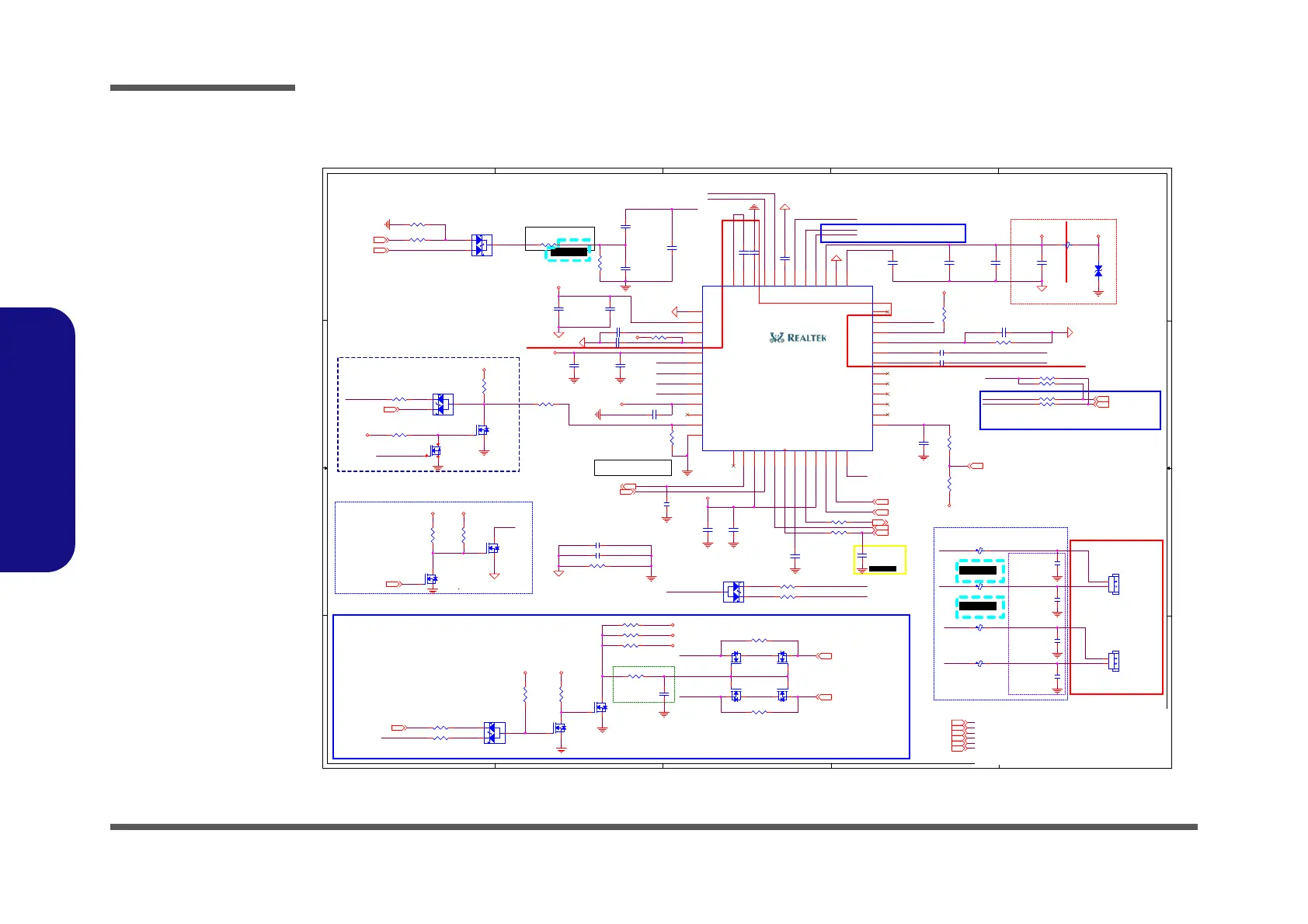
Schematic Diagrams
B - 24 Audio Codec
B.Schematic Diagrams
Audio Codec
5
5
4
4
3
3
2
2
1
1
D D
C C
B B
A A
Grounding circuit for Combo Jack
while system entry into S3 / S4 /S5
Pin27 Pin27
5/8 follow design common
QFN 6x6
Thermal Pad place 49
Via hole.
(Include Thermal pad)
㬌䳬䶂嶗㙓㗪䓐ᶵᶲĭ㓭󱂑ὅ䄏⺈
Moat
Codec AVDD ( Placement near Audio Codec)
ANALOG DIGITAL
PC BEEP
6-06-00543-021
FOR VOLUMN
ADJUST
reserve for RC delay to mute pop.
5/23 add de-pop
,
De-pop circuit
Close to the CODEC
AUDIO CODEC ALC293D
COMMON NA
4R: 40mils
8R: 20mils
Closed to ALC269VC2 Pins.
2W/4R
EMI Require
Layout trace > 40 mil ,
suggest to implement shapes.
40 mil
40 mil
40 mil
40 mil
Layout trace > 40 mil ,
suggest to implement shapes.
20190605 EMI
D02 change
PDA bug
D02 change
PDA bug
D02 change
PDA bug
HEADPHONE_R
HEADPHONE_L
SLEEVE
HEADPHONE_L
HEADPHONE_R
HDA_SDIN0_R
HDA_BITCLK_R
SPKOUTL+
SPKOUTL-
BEEP_R
BEEP_R
BEEP_CBEEP_A
CODEC_PD#
MUTE_POP#
HEADPHONE_L
HEADPHONE_R
RING2
SPKOUTR+_R
SPKOUTR-
SPKOUTR-_R
SPKOUTL+_L
SPKOUTL+
SPKOUTL-
SPKOUTL-_L
AVDD2
CODEC_PD#
MIC1_VREFO_L
SLEEVE
SPKOUTR+
BEEP
LINE1-VREFO
AZ_RST#_R
AZ_RST#_R
SPKOUTR+
SPKOUTR-
MIC1_VREFO_L
HEADPHONE_R
HEADPHONE_L
SLEEVE
RING2
LINE1-VREFO
AUDG
5VS
AUDG
AUDG
AUDG
AUDG
AUDG
3.3VS
3.3VS
5VS
AUDG
5VS
5VS_AUD
AUDG
3.3VS
3.3VS
3.3VS
1.5VS
AUDG
3.3VS
3.3VS
3.3VS 3.3VA
VIN
5VS_AUD
VDD3
3.3VS
KBC_BEEP24
MIC_CLK229
MIC_DATA229
AZ_RST#_R 6,23
HDA_SYNC 6
HDA_SDOUT 6
HDA_SDIN0 6
HDA_BITCLK 6
PCH_SPKR6
KBC_MUTE#24
AZ_RST#_R6,23
HPOUT-JD 29
EC_CODEC_PD#24
HEADPHONE_L_DEPOP 29
HEADPHONE_R_DEPOP 29
5VS16,21,22,29,30
3.3VS2,5,6,7,8,9,14,15,16,17,21,24,26,29,30,35,37
3.3VA4,5,6,7,8,9,12,22,30,33
VIN17,24,31,32,33,35,36,37,38
1.5VS30
RING2_CON 29
SLEEVE_CONN 29
VDD35,6,8,9,12,21,22,24,25,26,29,30,31,32,33,35,37,38
Title
Size Document Number R e v
Date: Sheet
of
6-71-NL4C0-D02
D02
[23] AUDIO CODEC_ALC293D
A3
23 44Friday, August 16, 2019
ᙔ!Ϻ!ႝ!တ!!DMFWP!DP/
NL40CU
Title
Size Document Number R e v
Date: Sheet
of
6-71-NL4C0-D02
D02
[23] AUDIO CODEC_ALC293D
A3
23 44Friday, August 16, 2019
ᙔ!Ϻ!ႝ!တ!!DMFWP!DP/
NL40CU
Title
Size Document Number R e v
Date: Sheet
of
6-71-NL4C0-D02
D02
[23] AUDIO CODEC_ALC293D
A3
23 44Friday, August 16, 2019
ᙔ!Ϻ!ႝ!တ!!DMFWP!DP/
NL40CU
C278
0.1u_6.3V_X5R_02
C215 2.2u_6.3V_X5R_04
R261
*0_04
L23
HCB1608KF-800T30
R509
10K_04
R249 0_04
R221 100K_04
C442 0.1u_25V_X5R_04
L6
HCB1005KF-121T20
1 2
C467
*180p_50V_NPO_04
R464 2.2K_04
C245
2.2u_6.3V_X5R_04
C2870.1u_6.3V_X5R_02
C216 4.7u_6.3V_X5R_04
C282
0.1u_6.3V_X5R_02
R442
10K_04
S
D
G
Q34B
MTDK3S6R
5
3 4
R457
200K_1%_04
J_SPKR1
50271-0020N-001
PCB Footprint = 85204-02L
P/N = 6-20-43130-102
1
2
C250
*100p_25V_NPO_02
C445
2.2u_6.3V_X5R_04
C297
*180p_50V_NPO_04
C441 2.2u_6.3V_X5R_04
C
A
A
D42
BAT54AS3
1
2
3
R248 0_04
C279
2.2u_6.3V_X5R_04
S
D
G
Q38B
MTDK3S6R
5
34
C197 0.1u_25V_X5R_04
R224 2.2M_06
L8
HCB1608KF-121T30
R222 4.53K_1%_04
R510 0_04
R419 0_04
R223 *10K_04
R459 *0_04
C275 2.2u_6.3V_X5R_04
Q37
*BSS138
G
DS
C
A
A
D38
BAT54CS3
1
2
3
R465 2.2K_04
C247
*0.1u_6.3V_X5R_02
C276 1u_6.3V_X5R_02
C277 1u_6.3V_X5R_02
C468
*180p_50V_NPO_04
Q36
*2SK3018S3
G
DS
R463
0_06
C421
0.1u_25V_X5R_04
S
D
G
Q33B
MTDK3S6R
5
3 4
R409 *4.7K_04
R501
0_04
L24
HCB1608KF-800T30
R512
*100K_04
C267
2.2u_6.3V_X5R_04
S
D
G
Q33A
MTDK3S6R
2
61
R503
0_04
R455
10K_04
D24
15KV/0.2PF CESD0201UC5VB-M
12
R255 22_04
R511
100K_04
C
A
A
D41
BAT54AS3
1
2
3
R458 *0_04
L9
HCB1608KF-121T30
C
A
A
D23
BAT54AS3
1
2
3
C244
2.2u_6.3V_X5R_04
R479 *100K_04
C246
0.1u_6.3V_X5R_02
C280
22p_25V_NPO_02
S
D
G
Q34A
MTDK3S6R
2
61
R456
100K_1%_04
R260 *10K_04
R206 4.7K_04
R250 22_04
C243
10u_6.3V_X5R_06
J_SPKL1
50271-0020N-001
PCB Footprint = 85204-02L
P/N = 6-20-43130-102
1
2
C286
2.2u_6.3V_X5R_04
R502 0_04
S
D
G
Q32A
MTDK3S6R
2
61
R492 0_04
R205 4.7K_04
S
D
G
Q32B
MTDK3S6R
5
34
R462
4.7K_04
C284
*10p_25V_NPO_02
C302
*180p_50V_NPO_04
C248
100p_25V_NPO_02
C249
0.1u_6.3V_X5R_02
S
D
G
Q38A
MTDK3S6R
2
61
R262 0_04
DMIC-DATA34/GPIO2
U15
ALC293D-CG
I2S OE
1
GPIO0/DMIC-CLK
2
DVDD-IO
3
GPIO1/DMIC-DATA12
4
SDATA-OUT
5
BIT-CLK
6
LDO3-CAP
7
SDATA-IN
8
DVDD
9
SYNC
10
RESET#
11
PCBEEP
12
HP/MIC1 JD
13
I2S_IN/I2S_OUT JD
14
I2S_MCLK
15
I2S_SCLK
16
I2S_DOUT
17
I2S_LRCK
18
MIC1-L
19
MIC1-R
20
LDO1-CAP
21
AUX mode/LINE1 JD
22
LINE1-VREFO
23
I2S_DIN
24
VREF
25
AVSS1
26
AVDD1
27
LINE1-L/RING2
28
LINE1-R/SLEEVE
29
MIC1-VREFO
30
MIC-CAP
31
HP-OUT-R
32
HPOUT-L
33
CPVEE
34
CBN
35
CBP
36
AVSS2
37
HVDD(3.3V)
38
LDO2-CAP
39
AVDD2
40
PVDD1
41
SPK-OUT-L+
42
SPK-OUT-L-
43
SPK-OUT-R-
44
SPK-OUT-R+
45
PVDD2
46
SPDIFO
47
EAPD+PD
48
GND
49
C283
4.7u_6.3V_X5R_04
C440
0.1u_6.3V_X5R_02
R443 0_04
C217 4.7u_6.3V_X5R_04
Sheet 23 of 43
Audio Codec

Related product manuals