EasyManua.ls Logo

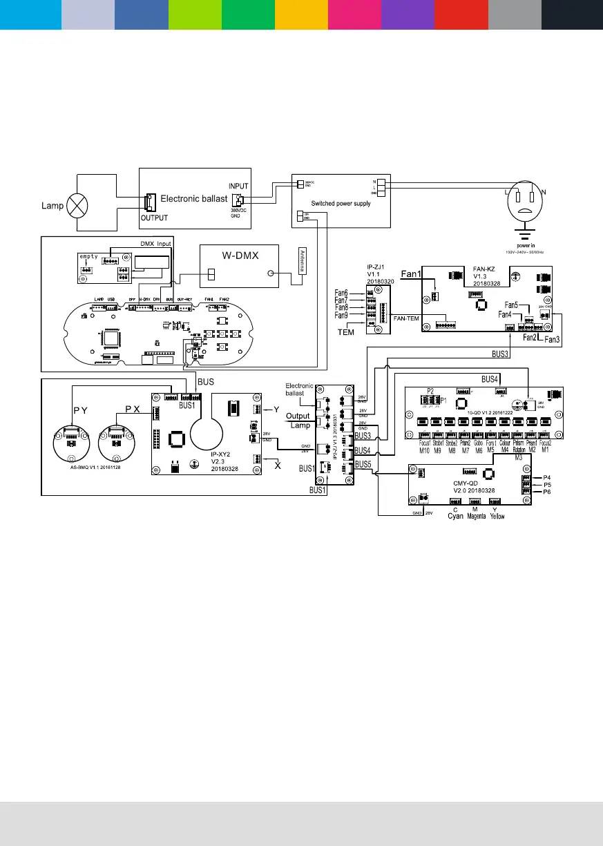
CLF Poseidon - CIRCUIT CONNECTION DIAGRAM

Default Icon
24 pages
Print Icon
To Next Page IconTo Next Page
To Next Page IconTo Next Page
To Previous Page IconTo Previous Page
To Previous Page IconTo Previous Page
Loading...
WWW.CLF-LIGHTING.COM
19
circuit connection diagram
19

Related product manuals