EasyManua.ls Logo

ClimateMaster TCV096 - Circuit Diagram with Safety Devices; Refrigerant and Water Flow Diagram

ClimateMaster TCV096
80 pages
Print Icon
To Next Page IconTo Next Page
To Next Page IconTo Next Page
To Previous Page IconTo Previous Page
To Previous Page IconTo Previous Page
Loading...
THE SMART SOLUTION FOR ENERGY EFFICIENCY
Tranquility
®
Compact Belt Drive (TCH/V) Series
Rev.: July 25, 2017
75
climatemaster.com
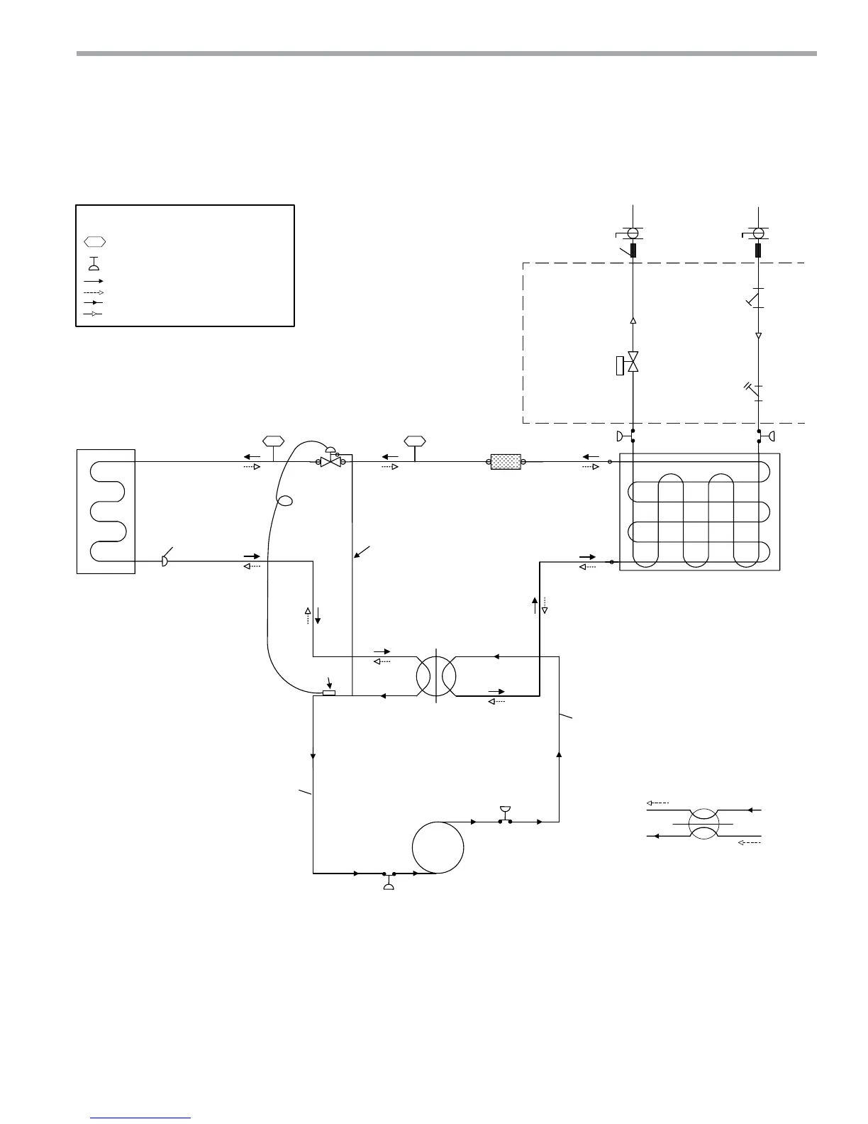
Circuit Diagram with Safety Devices
SYMBOL LEGEND
= TEMPERATURE SENSOR
= PRESSURE SWITCH
= REFRIGERANT FLOW COOLING MODE
= REFRIGERANT FLOW HEATING MODE
= REFRIGERANT FLOW EITHER MODE
= WATER FLOW
TXV
EQUALIZER
FILTER DRIER
(BI-FLOW)
LIQUID LINE
REVERSING
VALVE
(COOLING MODE-
RV SOLENOID IS
ENERGIZED)
REVERSING
VALVE
(HEATING MODE)
SUCTION
LINE
COMPRESSOR
LINE
WATER HIGH PRESSURE SWITCHES (N.C.)
SOURCE
WATER
OUTLET
SOURCE
WATER
INLET
TXV
BULB
MOTORIZED
WATER VALVE
(OPTIONAL)
AUTO FLOW
REGULATOR
COMPONENTS MAY
BE INTERNAL
OR EXTERNAL
(OPTIONAL)
STRAINER
BALL VALVE
BALL VALVE
(OPTIONAL)
DISTRIBUTOR
(NUMBER OF
CIRCUITS VARY)
DISCHARGE
LINE
COAXIAL
WATER COIL
AIR COIL
(HOSES
RECOMMENDED)
LT1
LT2
THERMAL
EXPANSION VALVE
(BI-FLOW)
LOW
PRESSURE
SWITCH
(N.C.)
HIGH
PRESSURE
SWITCH
(N.C.)
NOTES:
1. LT1 and LT2 sensors connect to CXM
or DXM
2. Refrigerant high and low pressure switches
connect to CXM or DXM
3. Water high pressure switches are wired in
series with refrigerant high pressure switch.

Table of Contents

Related product manuals