EasyManua.ls Logo

CLIMAVENETA HRAN 0121 - Refrigerant Circuit; HRAT - HRAT E; HRAN

CLIMAVENETA HRAN 0121
30 pages
Print Icon
To Next Page IconTo Next Page
To Next Page IconTo Next Page
To Previous Page IconTo Previous Page
To Previous Page IconTo Previous Page
Loading...
HRAT E - HRAT/HRAN
27English 09/02
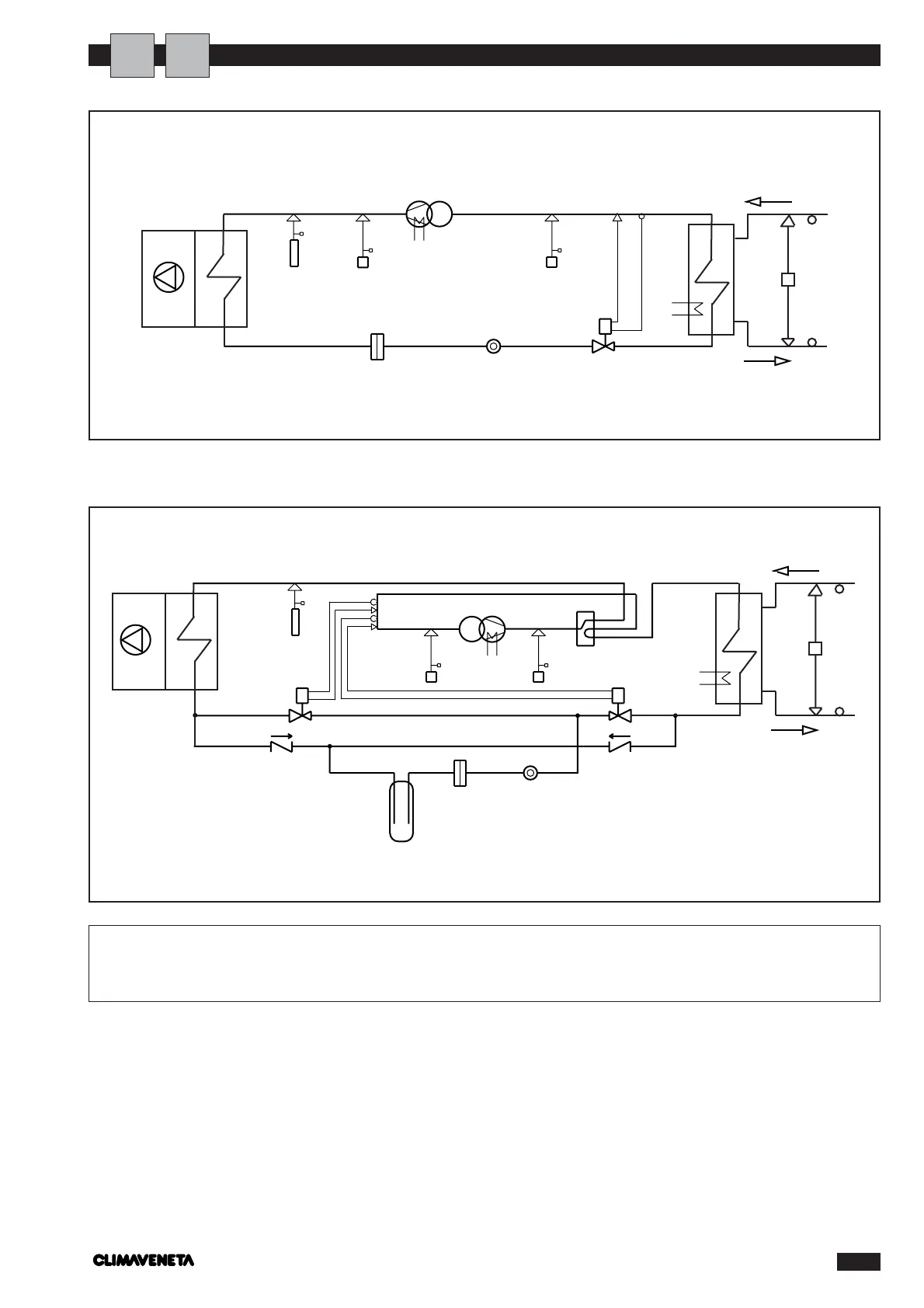
REFRIGERANT CIRCUIT
10
14
10
15
10
11
12
13
1
534
1
2
6
6
78
9
1
5
13
14
13
18
8
8
13
17
16
12
910
11
44
6 7
33
15
2
1plate heat exchanger
2 water differential pressure switch
3 compressor
4fan
5 finned coil
6 liquid receiver
7 cycle reverse valve
8 thermostatic valve
9 liquid indicator
10 filter
11 check valve
12 high pressure switch
13 low pressure switch
14 filling connections
15 sump heater
16 pressure transducer
17 water temperature sensor
HRAT - HRAT E
HRAN
A
I

Related product manuals