EasyManua.ls Logo

CLIVET CEILING & FLOOR-SL 2 - Page 20

CLIVET CEILING & FLOOR-SL 2
90 pages
Print Icon
To Next Page IconTo Next Page
To Next Page IconTo Next Page
To Previous Page IconTo Previous Page
To Previous Page IconTo Previous Page
Loading...
Specifications
Page 20
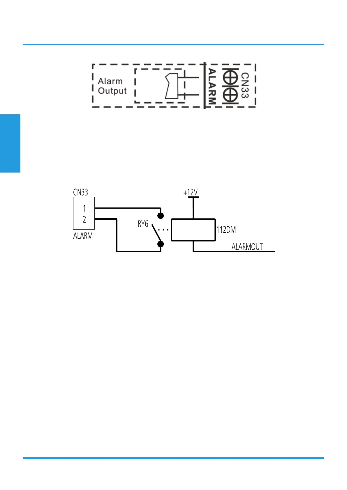
B For ALARM terminal port CN33.
1. Provide the terminal port to connect ALARM, but no voltage of the terminal port , the power from
the ALARM system (not from the unit).
2. Although design voltage can support higher voltage, but we strongly ask you connect the power
less than 24V, current less than 0.5A.
3. When the unit occurs the problem, the relay would be closed, then ALARM works.

Related product manuals