EasyManua.ls Logo

CLIVET CEILING & FLOOR-SL 2 - Refrigerant Cycle Diagrams

CLIVET CEILING & FLOOR-SL 2
90 pages
To Next Page IconTo Next Page
To Next Page IconTo Next Page
To Previous Page IconTo Previous Page
To Previous Page IconTo Previous Page
Loading...
Specifications
Page 30
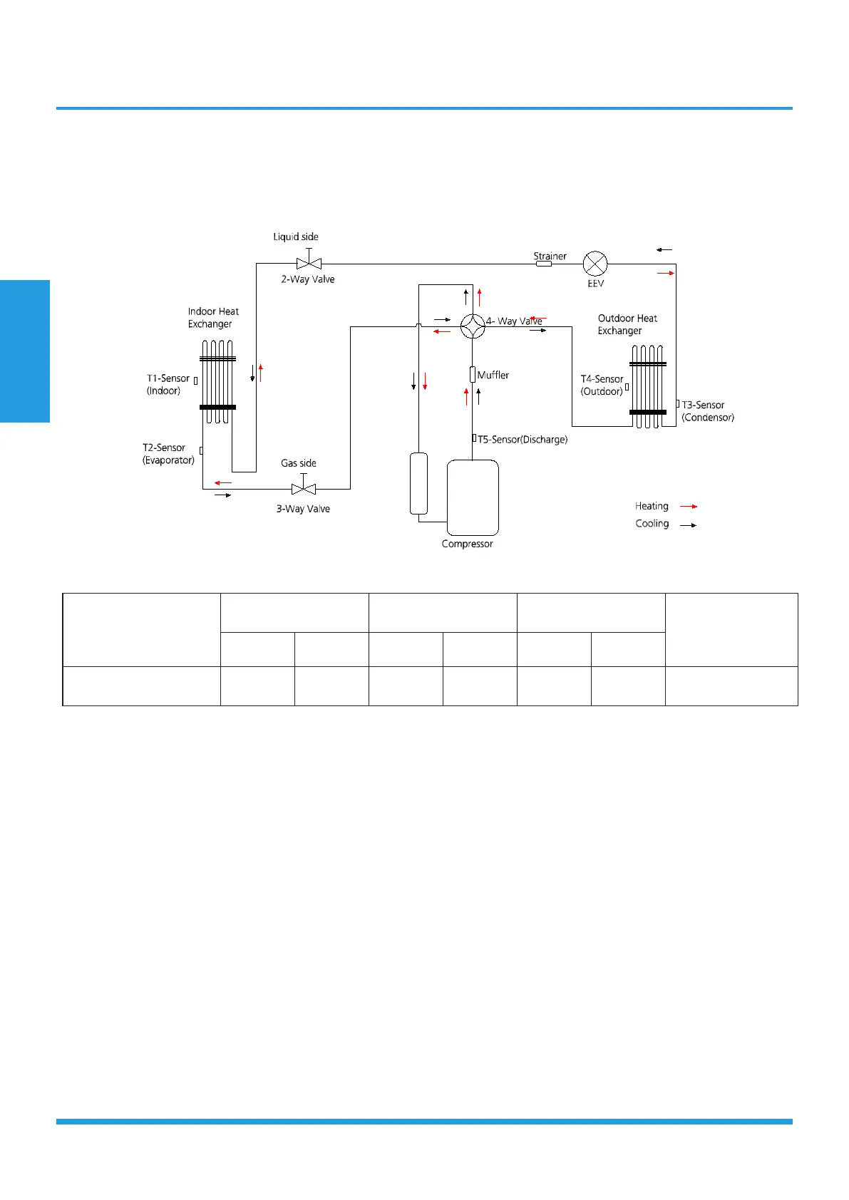
6. Refrigerant Cycle Diagrams
6.1 Heat pump
Model No.
Pipe Size (Diameter:ø)
inch
Piping length (m/ft) Elevation (m/ft)
Additional Refriger-
ant
Gas Liquid Rated Max. Rated Max.
MC2-Y 70M
5/8 3/8 5/16.4 50/164.0 0 25/82 24g/m (0.26oz/ft)

Related product manuals