EasyManua.ls Logo

CLIVET ELFORoom2 003.0

CLIVET ELFORoom2 003.0
316 pages
Go to English
To Next Page IconTo Next Page
To Next Page IconTo Next Page
To Previous Page IconTo Previous Page
To Previous Page IconTo Previous Page
Loading...
5 - RACCORDEMENTS ELECTRIQUES
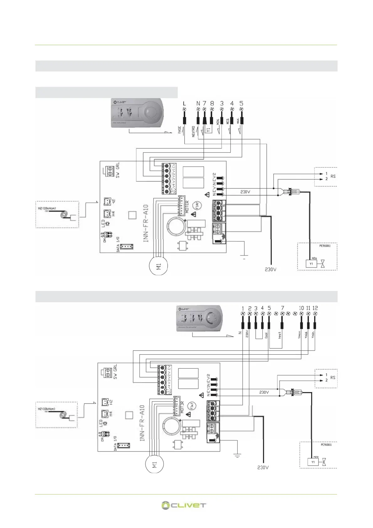
5.11 Raccordements thermostats
SC3V - Contrôle électronique simplifié avec modulation continue moteur DC à 4 vitesses avec avec thermostat à bord sans
interface RS 485
Thermostat HID-E1 - installation 2 tubes
Y1 Électrovalve eau (Chauffage/ Refroidissement) RS Option plancher (page 122)
2 tubes
M1 = moteur
Version à
encastrer
Sonde eau
Pas raccordée
Y1 Électrovalve eau (Chauffage/ Refroidissement) RS Option plancher (page 122)
Thermostat HID-E2 - installation 2 tubes
2 tubes
M1 = moteur
Sonde eau
Pas raccordée
112

Other manuals for CLIVET ELFORoom2 003.0

Related product manuals