EasyManua.ls Logo

CLIVET MSAN-XMI 200T - Page 37

CLIVET MSAN-XMI 200T
60 pages
To Next Page IconTo Next Page
To Next Page IconTo Next Page
To Previous Page IconTo Previous Page
To Previous Page IconTo Previous Page
Loading...
37
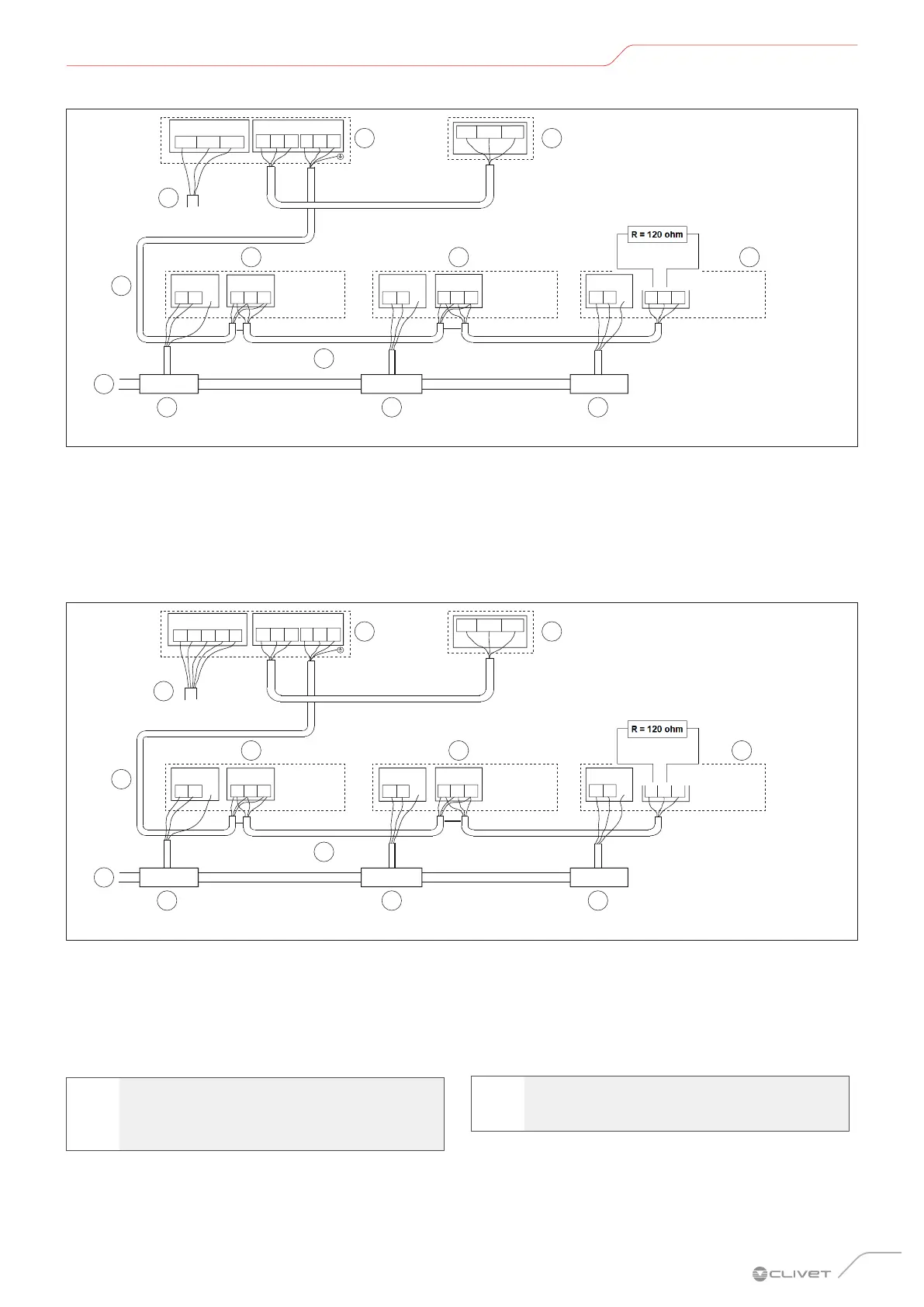
Electrical connections
8 ~ 16 kW (single phase)
Fig. 59
A Outdoor unit
B Indoor unit
C Shunt box
D CCM (Central Control Monitor)
1
Bus between the indoor and outdoor units
2
Bus between indoor units
10.5 ~ 18 kW (three phase)
Fig. 60
A Outdoor unit
B Indoor unit
C Shunt box
D CCM (Central Control Monitor)
1
Bus between the indoor and outdoor units
2
Bus between indoor units
3
4
5
6
7
8
9
10
a
CAUTION
It is possible to start with only one bus from the
outdoor unit.
a
CAUTION
Earth at one point free of interference.
B B
A D
1
1
2
B
C
3
C C
L N
X Y E
X Y E
P Q E
P Q E
L N
P Q E
L N
P Q E
L N
B B
A D
1
1
2
B
C
3
C C
L1
L2 L3
N
X Y E
X Y E
P Q E
P Q E
L N
P Q E
L N
P Q E
L N

Related product manuals