EasyManua.ls Logo

Cloud Z8II - PMI Paging Microphone Connection; PMI Microphone Wiring; Music Control via Remote Plates; RL-I Remote Control Plate Connection

Cloud Z8II
18 pages
Print Icon
To Next Page IconTo Next Page
To Next Page IconTo Next Page
To Previous Page IconTo Previous Page
To Previous Page IconTo Previous Page
Loading...
Z4II & Z8II: Installation and User Guide 13
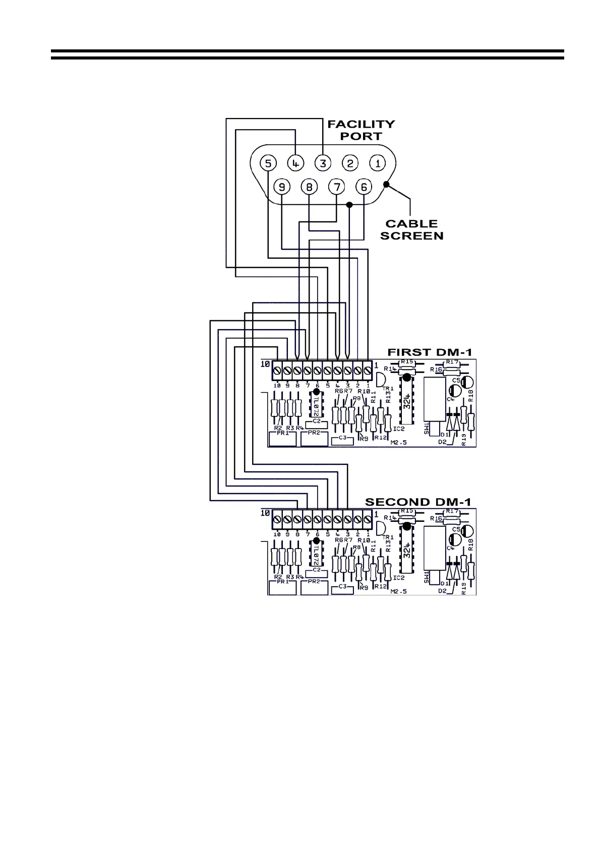
25.3 Wiring 2 or more DM-1’s in a daisy chain format.
30/05/03 V8

Other manuals for Cloud Z8II

Related product manuals