EasyManua.ls Logo

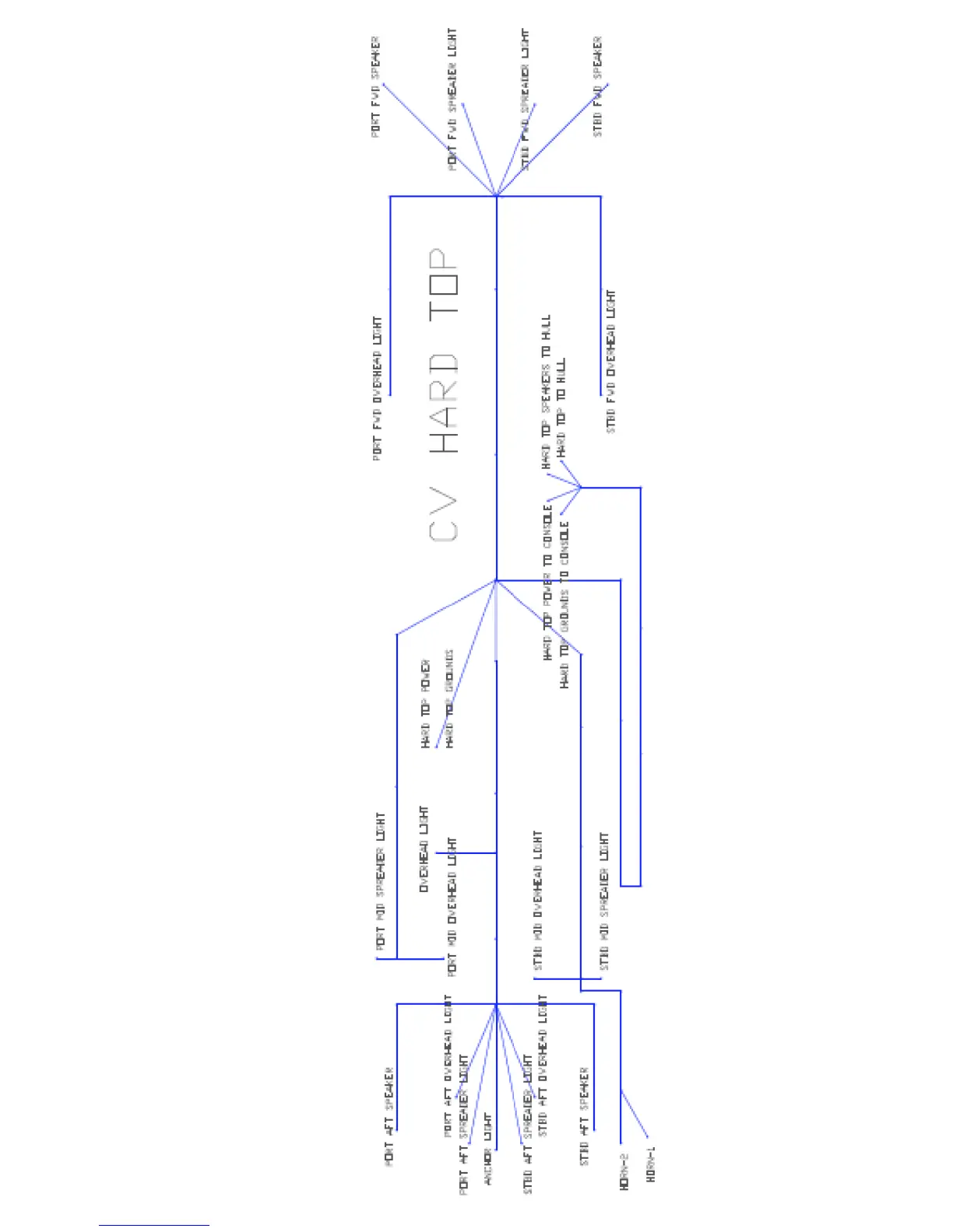
COBIA 344 CC - Hard Top Wiring Diagram; Hard Top Electrical Layout

Default Icon
53 pages
Print Icon
To Next Page IconTo Next Page
To Next Page IconTo Next Page
To Previous Page IconTo Previous Page
To Previous Page IconTo Previous Page
Loading...

Related product manuals