EasyManua.ls Logo

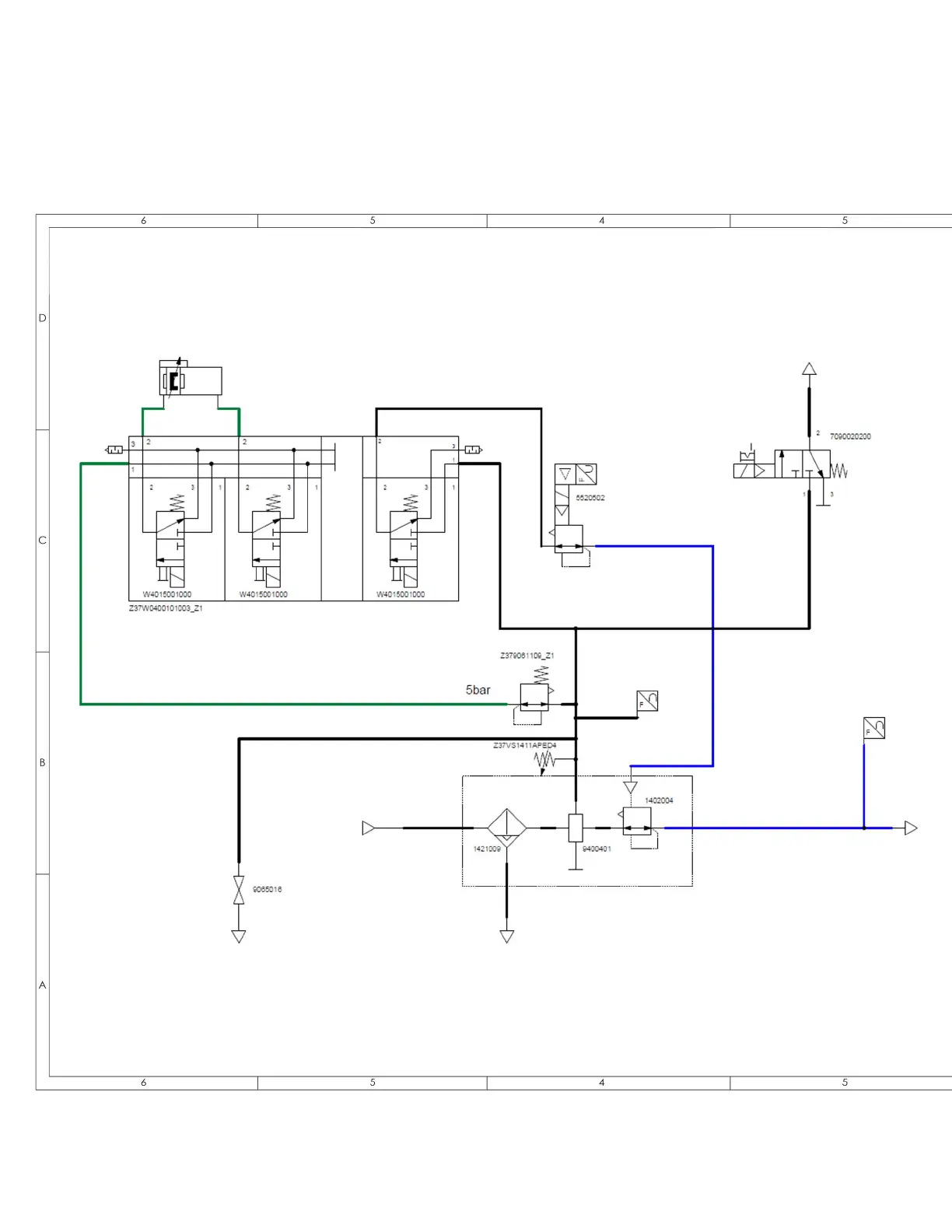
Cold Jet i3 MICROCLEAN 2 - Pneumatic Schematics; Pneumatic Schematic Diagram 1

Cold Jet i3 MICROCLEAN 2
64 pages
Print Icon
To Next Page IconTo Next Page
To Next Page IconTo Next Page
To Previous Page IconTo Previous Page
To Previous Page IconTo Previous Page
Loading...
52

Other manuals for Cold Jet i3 MICROCLEAN 2

Related product manuals