EasyManua.ls Logo

Comar Condensatori G3E - Instalación

Comar Condensatori G3E
Print Icon
To Next Page IconTo Next Page
To Next Page IconTo Next Page
To Previous Page IconTo Previous Page
To Previous Page IconTo Previous Page
Loading...
22
MU02.06 MMM REV.5 11/05
2. INSTALACIÓN
La instalación debe ser efectuada según las instrucciones, por personal cualificado.
Un error en la instalación puede causar daño a persona o cosas de los cuales el constructor
no puede ser considerado responsable .
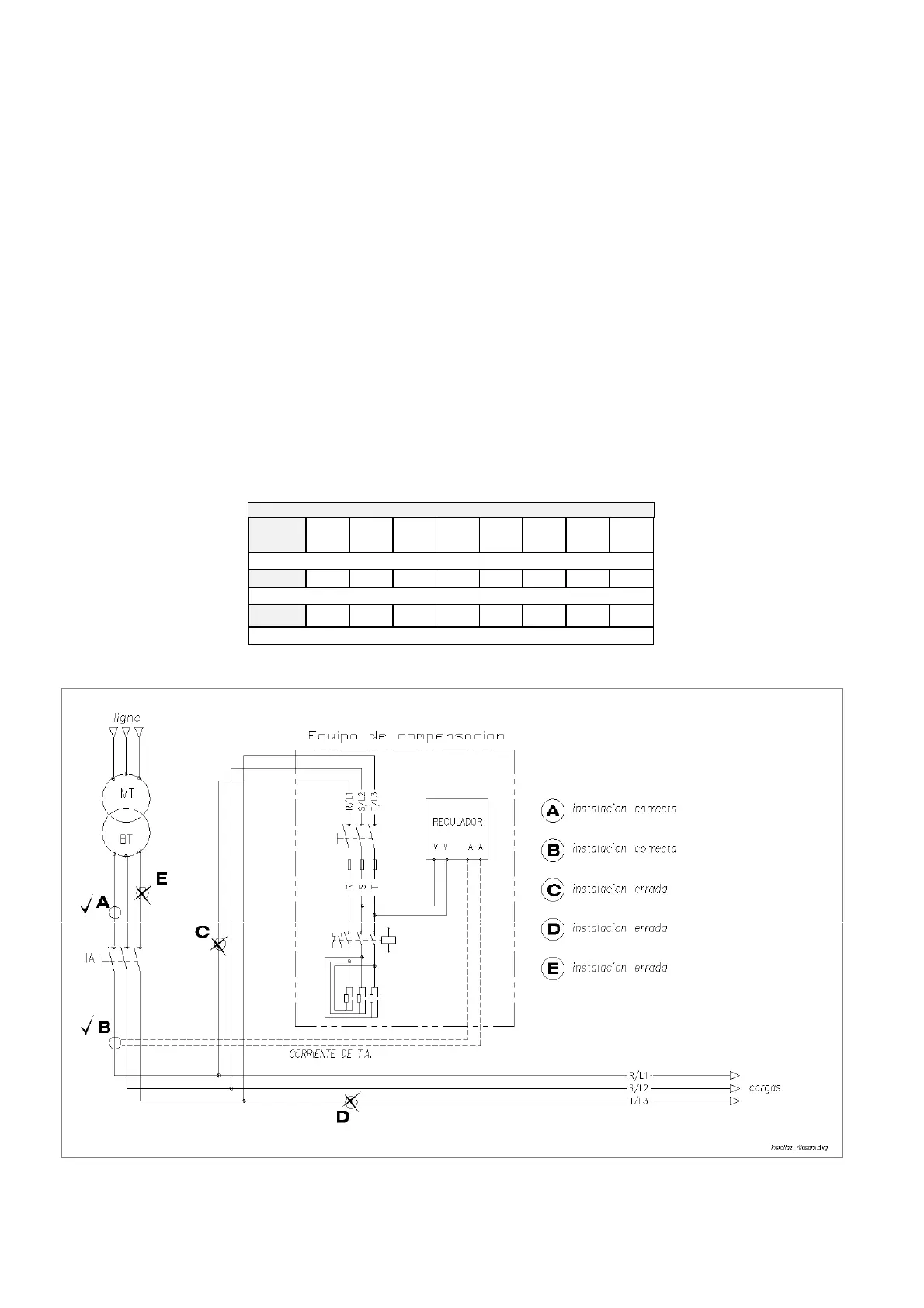
a. Abrir el equipo y conectar la red trifasica a los bornes del interruptor principal dimensionando el cable según la tabla
abajo indicada. Proteger la nea de alimentación del equipo con fusible seccionable o interruptor automático
apropiado (norma cnica CEI 64-8 ley 46-90).
b. Las tres bornas de ingreso del seccionador están marcados con las letras R-S-T (L1, L2, L3).
Al borne marcado “R” debe ser conectado la misma fase en la que esta insertado el TA (ver esquema de
conexionado fig.1).
c. El TA para la señal de corriente debe estar insertado antes de todas las cargas y tambn antes del equipo
de compensacn.
Conviene escoger la relación de transformación del TA para insertarlo en la línea de manera que garantice una señal
amperimetrica al secundario comprendido en el intervalo de 0,5-5A, intervalo de valor necesario para una correcta
medida del regulador (ver elección del TA).
d. Conectar el circuito secundario del TA a los bornes A-A ( K-L) posicionado cercano al seccionador de entrada.
e. Conectar el cable de tierra al tornillo de tierra.
f. Controlar el conexionado sen el esquema abajo descrito y cerrar el cuadro
g. Cerrar el interruptor general, controlar la puesta en marcha del regulador, ajuste el valor del C/K y de P.F. según el
capitulo 3.
h. A compensación obtenida (conseguir el coseno de fi impuesto) se apagan el led inductivo y capacitivo.
SECCION CABLE
TYPE kvar
10
kvar
12.5
kvar
17.5
kvar
25
kvar
31
kvar
43.5
kvar
50
kvar
62.5
In (A)
14 17 24 35 43 61 70 87
mm
2
6 6 10 16 16 25 35 50
Fig.1 : instalacion del equipo de compensacion