EasyManua.ls Logo

Comelit 4882 - Page 118

Comelit 4882
Print Icon
To Next Page IconTo Next Page
To Next Page IconTo Next Page
To Previous Page IconTo Previous Page
To Previous Page IconTo Previous Page
Loading...
118
1234 6758
ON
1259C
G
N
DA
N
I
3
VS
32
SV
2
S
11
V
+
-
~~
LLL
OUT
L
OUT
IN IN
230V~
12V~
1200
S1 S2
SW1
6302
S
+
S
-
C
F
P
LL
C
F
P
1
-
+
2
IN
12
IN
0
230
4882
L
L
~
~
SE
-
RTE
NC
NO
SE
SE
C
-
+
~
~
1205/B
1
1234 6758
ON
S2S1
ON
85764321
1
CV1 CV2
*
SMK/015C
PT
ES
DE
IT
EN
FR
NL
õæ$AæALIMENTAREæSEPARATAMENTE
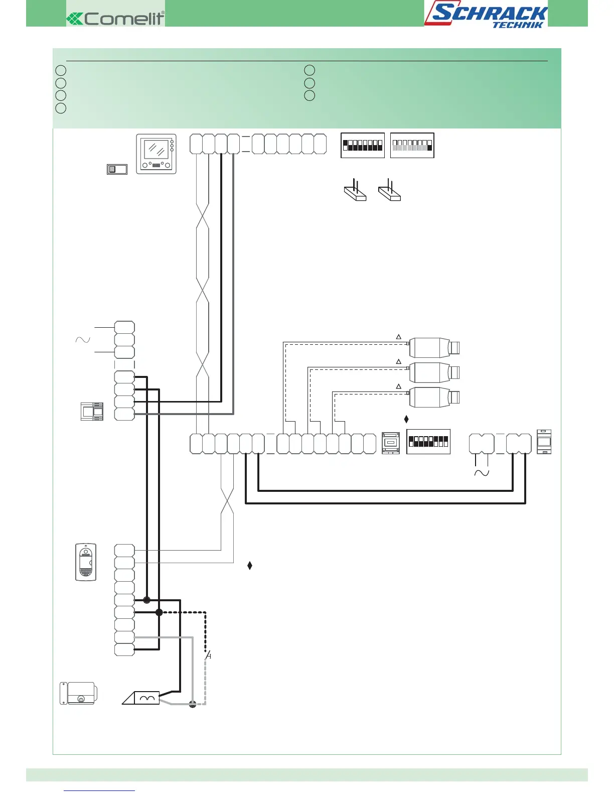
Utilizzo modulo telecamera scorporata Art. 1259C
0ERæSETTAGGIOæEæFUNZIONAMENTOæ!RTæ#æVEDIæ&43"#
0ULSANTEæCOMANDOæAPRIPORTAæLOCALE
õæ4OæBEæPOWEREDæSEPARATELY
Use of remote camera module Art. 1259C
&ORæTHEæSETTINGæANDæOPERATIONæOFæ!RTæ#æSEEæ&43"#æ
,OCALæDOOROPENERæBUTTON
õæÃæALIMENTERæS£PAR£MENT
Emploi module caméra déportée Art. 1259C
0OURæLAæPROGRAMMATIONæETæLEæFONCTIONNEMENTæ!RTæ#æVOIRæ&43"#æ
"OUTONæCOMMANDEæOUVREPORTEæLOCAL
õæ!PARTæTEæVOEDEN
Gebruik module voor externe camera art. 1259C
:IEæVOORæDEæINSTELLINGæENæWERKINGæVANæARTæ#æDEæHANDLEIDINGæ&43"#æ
"EDIENINGSKNOPæLOKALEæDEUROPENER
õæ3EPARATEæ3TROMVERSORGUNGæERFORDERLICH
Einsatz des separaten Kameramoduls Art. 1259C
&ÔRæ0ROGRAMMIERUNGæUNDæ"ETRIEBæVONæ!RTæ#æSIEHEæ&43"#æ
,OKALEæ4ÔRFFNERTASTE
õæ!LIMENTARæPORæSEPARADO
Uso del módulo telecámara separada art. 1259C
0ARAæLAæCONFIGURACINæYæELæFUNCIONAMIENTOæDELæARTæ#æV£ASEæ&43"#æ
0ULSADORæABREPUERTASæLOCAL
õæ!LIMENTARæSEPARADAMENTE
Utilização do módulo da câmara separada art. 1259C
0ARAæPROGRAMAÀãOæEæFUNCIONAMENTOæDOæARTæ#æCONSULTARæ&43"#æ
"OTãOæDEæCOMANDOæABERTURAæDAæPORTAæLOCAL

Table of Contents

Related product manuals