EasyManua.ls Logo

Comelit Simplebus 2 MT SB2 01 - Page 32

Comelit Simplebus 2 MT SB2 01
48 pages
Print Icon
To Next Page IconTo Next Page
To Next Page IconTo Next Page
To Previous Page IconTo Previous Page
To Previous Page IconTo Previous Page
Loading...
MT SB2 01
97
MT SB2 01
ITALIANOENGLISH
FRANÇAIS
NEDERLANDSA
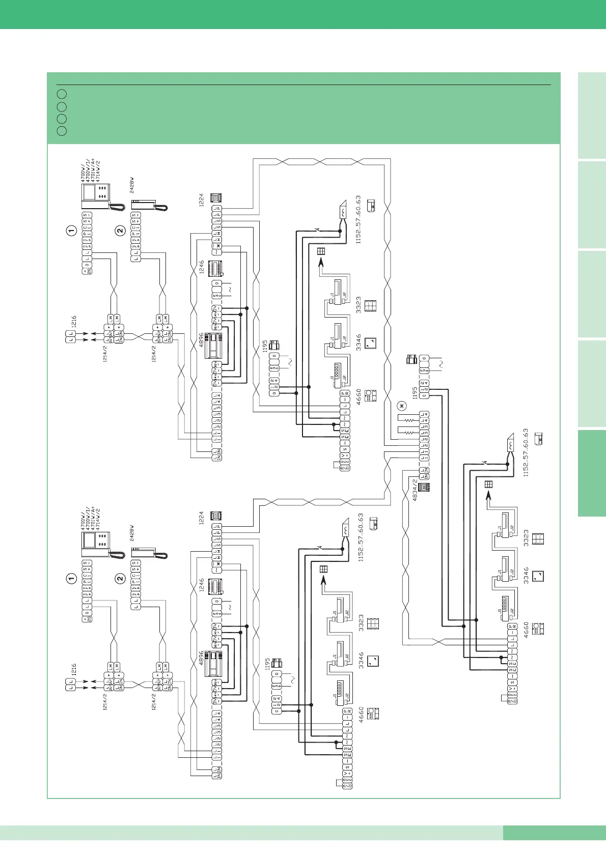
Impianto 1 ingresso principale video max 4 secondari video serie Powercom.
System with 1 main video entrance and MAX 4 Powercom series secondary videos.
Installation avec 1 entrée principale vidéo MAX 4 secondaires vidéo série Powercom.
Installatie 1 video hoofd-entreepaneel met MAX. 4 secundaire video entreepanelen serie Powercom.
SB2V/EN/112
I
GB
F
NL