EasyManua.ls Logo

compupool products Compu Chlor - Installation; Overview; Power Module Mounting and Cell Module Placement

compupool products Compu Chlor
20 pages
Print Icon
To Next Page IconTo Next Page
To Next Page IconTo Next Page
To Previous Page IconTo Previous Page
To Previous Page IconTo Previous Page
Loading...
Compu Chlor Manual AU 10
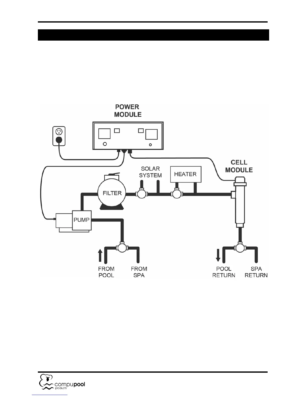
7.0 INSTALLATION
7.1 Overview
7.1.1 The Power Module is to be mounted at least 1 meter above ground level, and if
possible protected from direct weather. The Cell Module is to be plumbed into the
return line to the pool after the pump, filter and heater, if applicable (see Figure 1).
The Power Module must be installed 3 meters or more away from the pool edge.
7.1.2 Figure 1 - Installation Schematic.

Related product manuals