EasyManua.ls Logo

Conair Thermolator TW - Page 11

Conair Thermolator TW
116 pages
Print Icon
To Next Page IconTo Next Page
To Next Page IconTo Next Page
To Previous Page IconTo Previous Page
To Previous Page IconTo Previous Page
Loading...
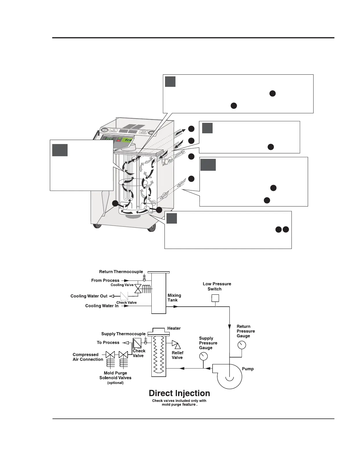
Direct injection models maintain the process temperature
by electrically heating and injecting cool water supplied to
the Thermolator by a chiller, tower or other water source.
HOW IT WORKS:
D
IRECT INJECTION
UGH025-0504 Thermolator TW Series
DESCRIPTION 2-3
A
B
The temperature of the process fluid is measured
as it leaves the unit’s heater tank. The fluid then
flows through the “To Process” line to the mold
or process. The fluid returns to the unit through the
“From Process” line for reheating or cooling.
1
A
B
C
If the process
temperature is
below the set-
point, the heater
elements inside
the heater tank
are energized.
E
F
4
The pump moves water from the mixing
tank to the heater tank. Pressure is
measured before and after the pump .
NOTE: Some higher kW models have an
additional heater in the mixing tank
E
F
The temperature of the process
fluid is measured as it flows into
the mixing tank through the
“From Process” line .
2
B
If the average temperature is
above the setpoint value, the cool-
ing valve opens. Cool water
enters the bottom of the mixing
tank via the “Cooling In” line .
Warm water flows out through the
“Cooling Out” line .
C
D
3b
3a
D

Table of Contents

Related product manuals