EasyManua.ls Logo

Concox VL101G - Page 7

Default Icon
18 pages
Print Icon
To Next Page IconTo Next Page
To Next Page IconTo Next Page
To Previous Page IconTo Previous Page
To Previous Page IconTo Previous Page
Loading...
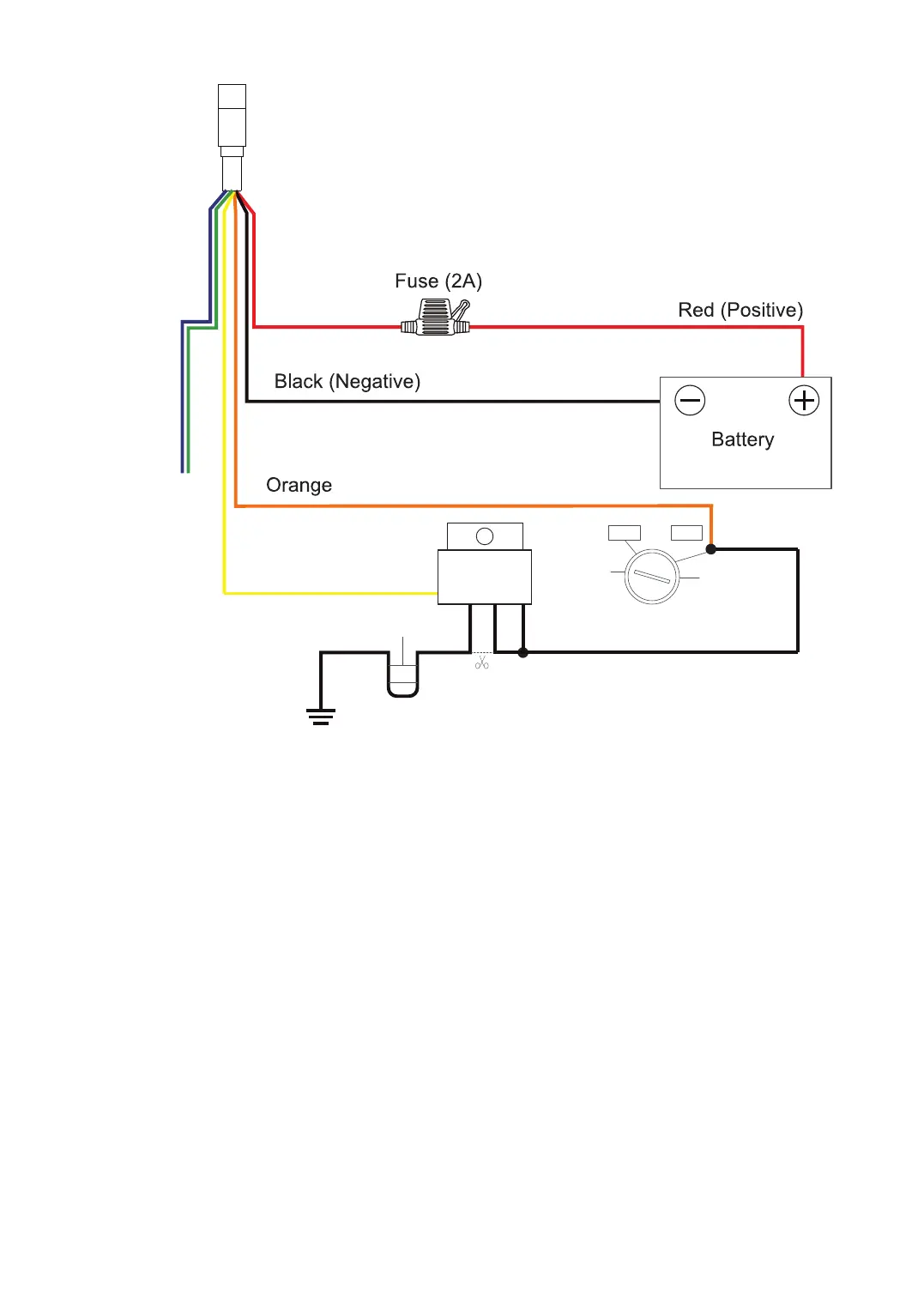
Power connection
The standard power supply ranges from 9V to 30VDC.
During installation, negative side should connect to the ground.
Do not connect with other ground wires simultaneously.
lgnition wire
ACC line(orange) connects to vehicle's ACC, detecting ignition.
Be sure to check if it's a real ignition wire i.e. power does not
disappear after starting the engine.
Relay wiring
Relay's white line connects to the positive side of battery(12V)
TTL
Relay
12/24V
Relay
86 30 87a 85
ACC
OFF
Ignition key
START
ON
9-30VDC
-
+

Related product manuals