EasyManua.ls Logo

Continuum V2532W - Page 32

Default Icon
48 pages
Print Icon
To Next Page IconTo Next Page
To Next Page IconTo Next Page
To Previous Page IconTo Previous Page
To Previous Page IconTo Previous Page
Loading...
A
www.rinnai.us
INSTALLER’S INSTALLATION INSTRUCTIONS
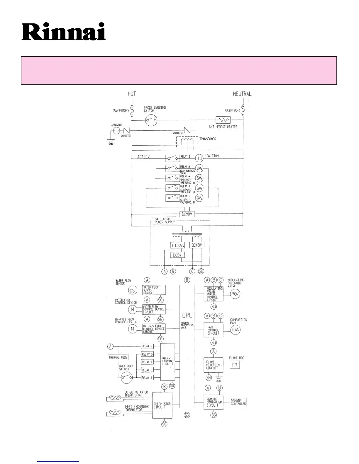
Wiring Diagram
Model V2532W32