EasyManua.ls Logo

Control Techniques Unidrive 3405 - Page 116

Control Techniques Unidrive 3405
208 pages
Print Icon
To Next Page IconTo Next Page
To Next Page IconTo Next Page
To Previous Page IconTo Previous Page
To Previous Page IconTo Previous Page
Loading...
Safety
Information
Product
Information
Mechanical
Installation
Electrical
Installation
Getting
Started
Menu 0
Running
the motor
Optimisation
Macros
Advanced
Parameters
Technical
Data
Diagnostics
UL Listing
Information
116 Unidrive User Guide
www.controltechniques.com Issue Number: 9
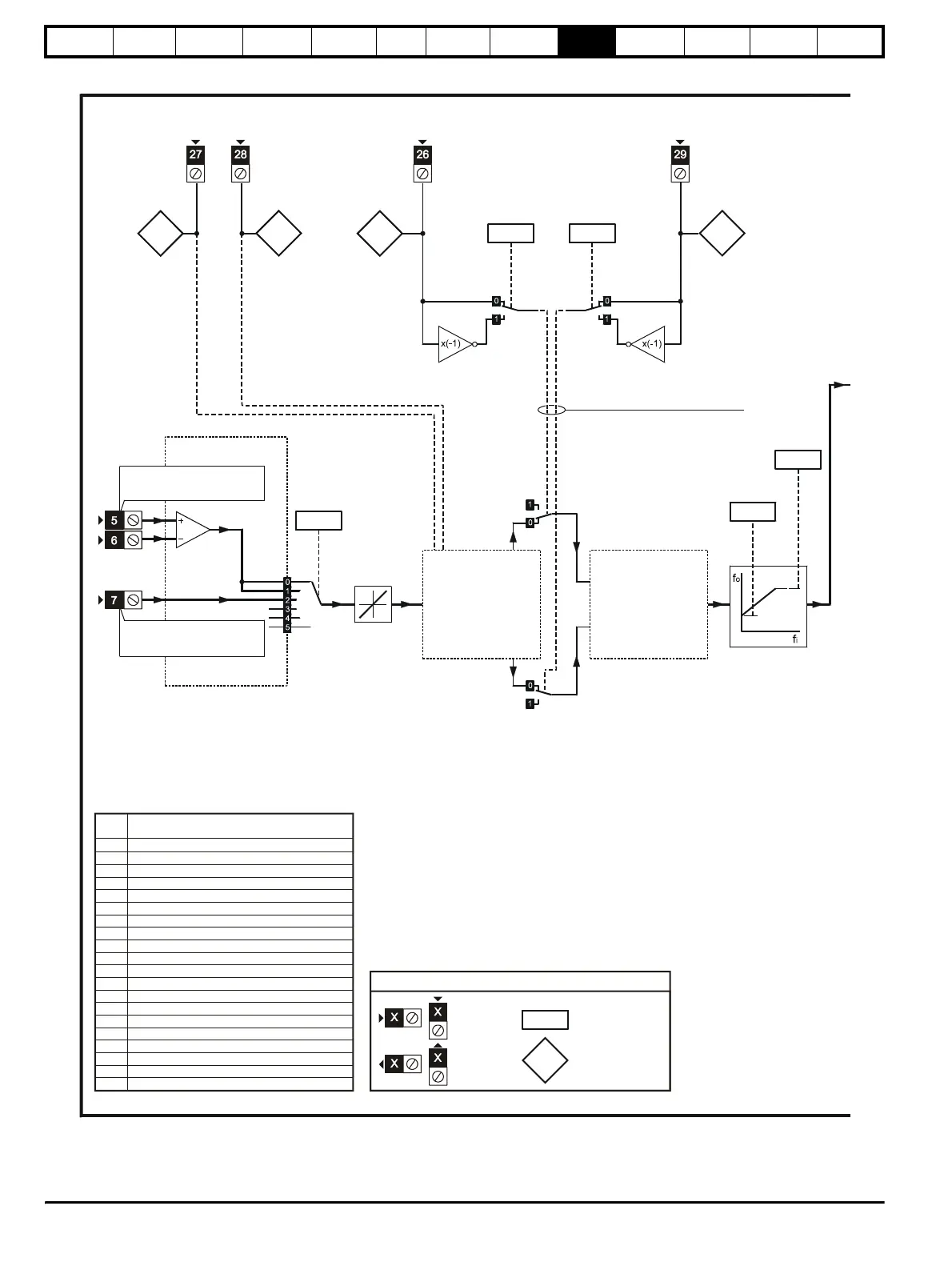
Figure 9-6 Macro 6 Axis-limit control logic diagram
Reference selection
Frequency/speed ref. 1
(remote)
Frequency/speed ref. 2
(local)
LIMIT
FORWARD
RUN
(FORWARD)
RUN
REVERSE
0.05
Reference
selector
LIMIT
REVERSE
Minimum
frequency/
speed clamp
0.01
0.02
0.21
Limit
forward
invert
Maximum
frequency/speed
clamp
Limit
forward
indicator
0.14
Run
forward
indicator
0.15
0.17
0.16
0.22
Run
reverse
indicator
Limit
reverse
indicator
Limit
reverse
invert
Frequency/speed
reference
Direction control
Bi-directional
frequency/speed
reference
RUN enabled
RUN disabled (at limit)
0 =
1 =
Pr Function
0.11 Pre-ramp reference
0.12 Post-ramp reference
0.13 Motor active-current
0 14 Limit forward
0.15 Run
0.16 Run reverse
0.17
0.18 Stop mode
0.19 Hold zero speed
0.20 OL> Limit deceleration rate CL> (not used)
0.21
0.22
0.23
0.24
0.25
0.26
0.27
0.28
0.29
0.30
indicator
selector
enable
forward
Limit reverse
Limit forward
Limit reverse
(not used)
(not used)
(not used)
(not used)
(not used)
(not used)
(not used)
(not used)
indicator
indicator
indicator
invert
invert
0.XX
0.XX
Key
Read-write (RW)
parameter
Read-only (RO)
parameter
Input
terminals
Output
terminals
Menu 0 changes from default configuration

Table of Contents

Related product manuals