EasyManua.ls Logo

Control Techniques Unidrive 3405 - Page 162

Control Techniques Unidrive 3405
208 pages
Print Icon
To Next Page IconTo Next Page
To Next Page IconTo Next Page
To Previous Page IconTo Previous Page
To Previous Page IconTo Previous Page
Loading...
Safety
Information
Product
Information
Mechanical
Installation
Electrical
Installation
Getting
Started
Menu 0
Running
the motor
Optimisation Macros
Advanced
Parameters
Technical
Data
Diagnostics
UL Listing
Information
162 Unidrive User Guide
www.controltechniques.com Issue Number: 9
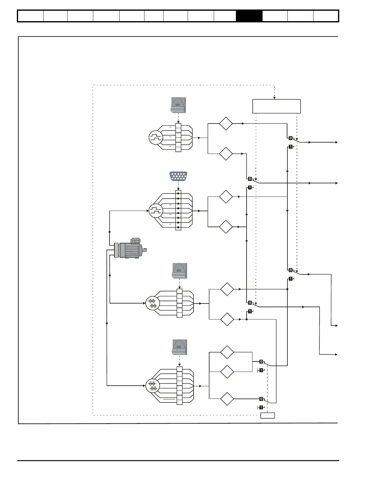
Figure 10-17 Menu 13 Closed-loop logic diagram
40
41
43
44
46
47
UD51
2nd encoder
option module
A
A
B
B
Z
Z
16.03
Encoder
position
16.02
Encoder
RPM
A
A
B
B
Z
Z
+V
0V
3.27
Encoder
position
3.26
Encoder
RPM
15 way sub-D
connector
48
49
50
51
52
53
UD53
Resolver option
module
Sin. high
16.03
Resolver
position
16.02
Resolver
RPM
Sin. low
Cos. low
Cos. high
Exit. high
Exit. low
41
42
43
44
45
46
UD52
SIN COS option
module
Sin. in
16.05
16.02
SIN COS
Encoder RPM
Sin. ref
Cos. in
Cos. ref
SC data
SC data
0V
+V
40
47
16.04
SIN COS
position
(coarse)
SIN COS
position
(fine)
16.14
Select SIN COS encoder as
auxiliary encoder enable
Encoder
Resolver
SIN COS
Encoder
UD52 SIN COS option or
UD53 Resolver option
module fitted
Reference
encoder
position
Reference
encoder
RPM
Slave position
Slave RPM
13
14
1
2
3
4
5
6

Table of Contents

Related product manuals