EasyManua.ls Logo

Control Techniques Unidrive M300 - Page 31

Control Techniques Unidrive M300
66 pages
Print Icon
To Next Page IconTo Next Page
To Next Page IconTo Next Page
To Previous Page IconTo Previous Page
To Previous Page IconTo Previous Page
Loading...
Unidrive M300/HS30 Quick Start Guide 31
Issue Number: 7
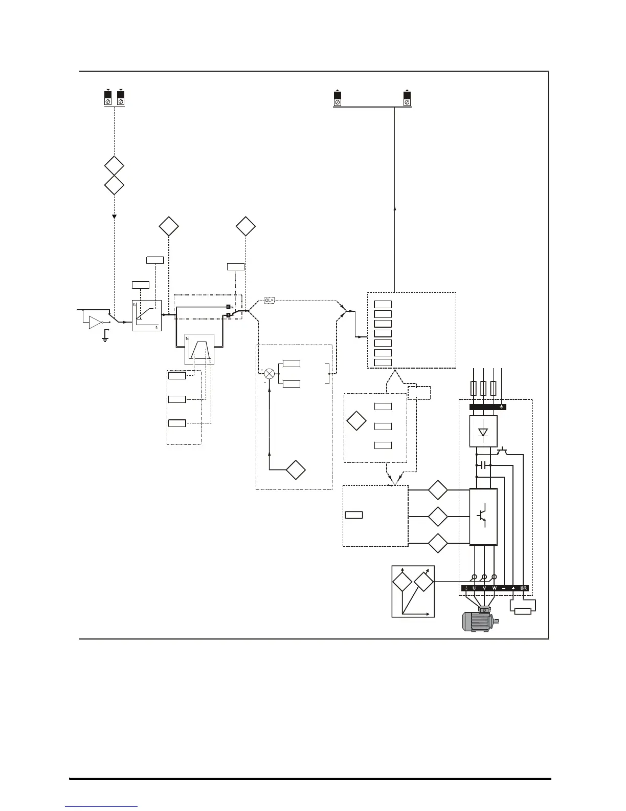
Frequency
Controller
Integral
Gain Ki 1
Frequency
Controller
Proportional
Gain Kp 1
65
66
RFC-A Speed-loop
PID
gains
7
10
AT ZERO FREQUENCY
Power stage
Control mode
Dynamic
V/f
Select
Low Frequency
Voltage Boost
OL>
Motor-voltage control
Motor
RUN
REVERSE
RUN
FORWARD
Minimum
Speed
01
12 13
Ramps
Acceleration
Rate 1
Deceleration
Rate 1
Ramp Mode
Select
03
04
28
RFC-A mode only
29
02
Maximum
Speed
Ramp
Enable
Analog output Digital output
37
Maximum Switching
Frequency
RFC-A>
OL,
FREQUENCY
RFC-A>
U V W
Resistor
optional
Torque
Producing
Current
Current
Magnitude
Magnetising
Current
+ BR
_
89
88
41
42
87
Motor
Rpm
87
32
x(-1)
Rpm
91
92
Reference On
Reverse Select
82
Pre-ramp
Reference
83
Final Demand
Reference
85
86
87
_
+
_
+
Drive
L3L2L1
Output
Frequency
Output Voltage
Motor Rpm
Motor
parameters
06
Rated Current
07
Rated Speed
08
Rated Voltage
09
Power Factor
33
Catch A Spinning Motor
39
Rated Frequency
40
Motor Poles

Other manuals for Control Techniques Unidrive M300

Related product manuals