EasyManua.ls Logo

Copley Controls Xenus PLUS - Page 12

Copley Controls Xenus PLUS
32 pages
Print Icon
To Next Page IconTo Next Page
To Next Page IconTo Next Page
To Previous Page IconTo Previous Page
To Previous Page IconTo Previous Page
Loading...
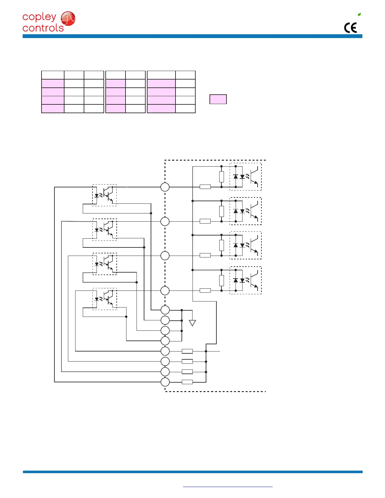
Input Signal Pins Signal Pins Signal Pins
IN16 S1_C J9-7 S1_A J9-13 S1_RTN J9-22
IN17 S2_C J9-8 S2_A J9-14 S2_RTN J9-23
IN18 S3_C J9-9 S3_A J9-15 S3_RTN J9-24
IN19 S4_C J9-18 S4_A J9-16 S4_RTN J9-25
J9 I/O
Limit Switches
604
[IN16]
S1_C
S1_A
S2_A
S3_A
S4_A
S1_
RTN
S4_RTN
S2_RTN
S3_RTN
S2_C
S3_C
S4_C
S1
1
2
3
4
1
2
3
4
1
2
3
4
1
2
3
4
S2
S3
S4
1k
1k
1k
1k
7
604
[IN17]
8
604
[IN18]
9
604
[IN19]
18
22
23
15
24
16
25
4X 453
+6VISO
ISOGND
Note: +6VISO and ISOGND
are from an internally
generated, non-regulated,
and isolated power supply
13
14
Copley Controls, 20 Dan Road, Canton, MA 02021, USA Tel: 781-828-8090 Fax: 781-828-6547
Tech Support: E-mail: sales@copleycontrols.com, Web: http://www.copleycontrols.com Page 12 of 32
RoHS
Xenus
PLUS
2-Axis
EtherCAT
800-1782
NSKVRMOTORLIMITSWITCHCONNECTIONS
[IN16~19]SIGNALS
[IN16~19]MOTORLIMITSWITCHCONNECTIONS
+6V
Internal6Vwithcurrent
limiting resistors

Related product manuals