EasyManua.ls Logo

Copley Controls Xenus PLUS - Page 22

Copley Controls Xenus PLUS
32 pages
Print Icon
To Next Page IconTo Next Page
To Next Page IconTo Next Page
To Previous Page IconTo Previous Page
To Previous Page IconTo Previous Page
Loading...
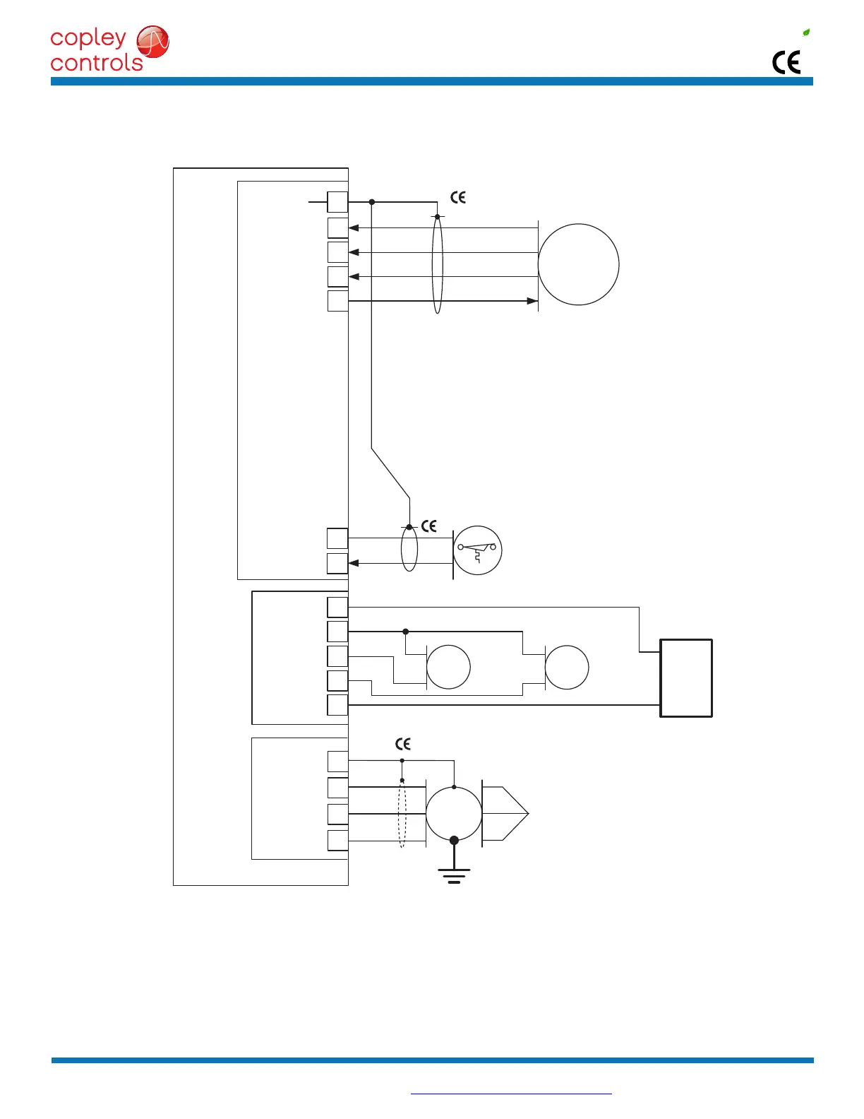
Shield
23
20
19
1
18
RESOLVER
INCREMENTAL
NSK VR
Inc B
Inc A
Inc C
Inc Common
J10
J11
Rslvr Inc B
Rslvr Inc A
Rslvr Inc C
Rslvr Ref(+)
5
TEMP
SENSOR
7
Signal Gnd
Motemp
4
3
2
1
Mot C
Mot B
Mot A
F.G.
J3
J4
J5
2
3
1
+24V
Brake B
4
5
+24V
Brake A
Gnd
+
-
24 Vdc
Axis A
Brake
Axis B
Brake
800-1782
C+
B+
A+
C-
B-
A-
Motor
3 ph.
Note: Motor windings
A-, B-, and C- must be
connected externally.
Copley Controls, 20 Dan Road, Canton, MA 02021, USA Tel: 781-828-8090 Fax: 781-828-6547
Tech Support: E-mail: sales@copleycontrols.com, Web: http://www.copleycontrols.com Page 22 of 32
RoHS
Xenus
PLUS
2-Axis
EtherCAT
800-1782
CONNECTIONSFORNSKSSBMOTOR
NOTES:
1) CEsymbolsindicateconnectionsrequiredforCEcompliance.