EasyManua.ls Logo

Craftsman 917.298021 - Page 39

Craftsman 917.298021
52 pages
Print Icon
To Next Page IconTo Next Page
To Next Page IconTo Next Page
To Previous Page IconTo Previous Page
To Previous Page IconTo Previous Page
Loading...
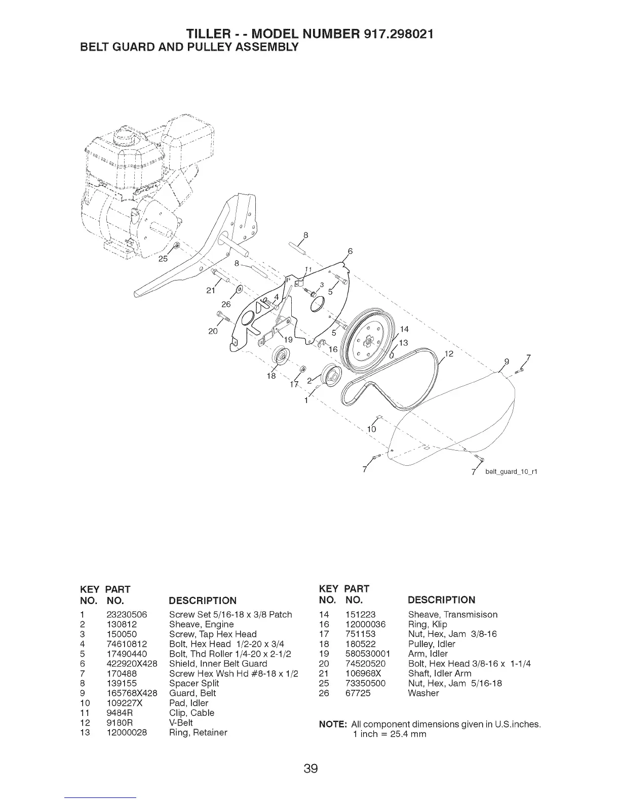
TILLER - - MODEL NUMBER 917.298021
BELT GUARD AND PULLEY ASSEMBLY
26
%
2O
\.
\\
14
7
\
\
12\.
7
7 belt guard 10 rl
KEY
NO.
1
2
3
4
5
8
7
8
9
10
11
12
13
PART
NO.
23230506
130812
150050
74610812
17490440
422920X428
170488
139155
185788X428
109227X
9484R
9180R
12000028
DESCRiPTiON
Screw Set 5/16-18 x 3/8 Patch
Sheave, Engine
Screw, Tap Hex Head
Bolt, Hex Head 1/2-20 x 3/4
Bolt, Thd Roller 1/4-20 x 2-1/2
Shield, Inner Belt Guard
Screw Hex Wsh Hd #8-18 x 1/2
Spacer Split
Guard, Belt
Pad, Idler
Clip, Cable
V-Belt
Ring, Retainer
KEY PART
NO. NO. DESCRiPTiON
14 151223 Sheave, Transmisison
16 12000036 Ring, Klip
17 751153 Nut, Hex, Jam 3/8-16
18 180522 Pulley, Idler
19 580530001 Arm, Idler
20 74520520 Bolt, Hex Head 3/8-16 x 1-1/4
21 106968X Shaft, Idler Arm
25 73350500 Nut, Hex, Jam 5/16-18
26 67725 Washer
NOTE: All component dimensions given in U.S.inches.
1 inch = 25.4 mm
39

Related product manuals