EasyManua.ls Logo

Craftsman C459.60310 - Page 36

Craftsman C459.60310
96 pages
Print Icon
To Next Page IconTo Next Page
To Next Page IconTo Next Page
To Previous Page IconTo Previous Page
To Previous Page IconTo Previous Page
Loading...
36
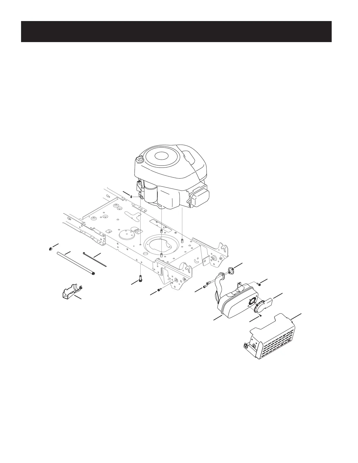
PARTS LIST
Craftsman Model C459.60310
3
4
4
7
13
1
12
5
2
8
11
9
6
10

Related product manuals