EasyManua.ls Logo

Crate BV300H - The Block Diagram; Channel Signal Paths; Power Amp and Output Stages; Tube Complement and Features

Crate BV300H
15 pages
Print Icon
To Next Page IconTo Next Page
To Next Page IconTo Next Page
To Previous Page IconTo Previous Page
To Previous Page IconTo Previous Page
Loading...
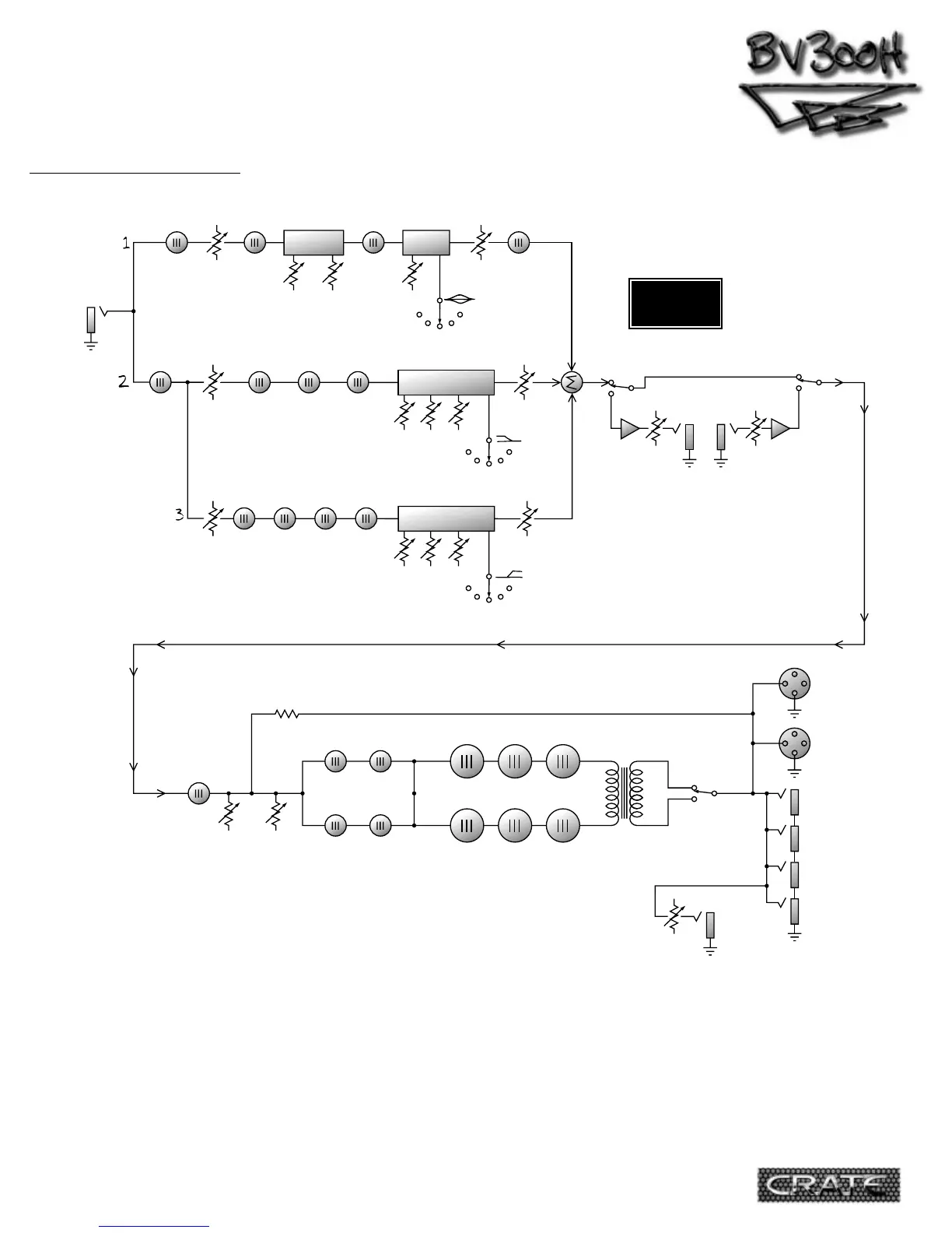
The Block Diagram:
14
INPUT
BASS
V1–V8 = 12AX7
V9–V10 = 12AU7
V11–V16 = 6550A
V1V1 V2
TREBLE
GAIN LEVEL
1+
1-
EEK! UGH!
SEND RETURN
EFFECTS
LOOP
SLAVE
OUT
IMPEDANCE
SELECTOR
SPEAKON
SPEAKER
OUTPUTS
1/4"
SPEAKER
OUTPUTS
V2
MID
BASS
V3 V6
V6
TREBLE
OFF
1k
250
750
500
GAIN LEVEL
V7
MID
BASS
V4
TREBLE
10k
2k
8k
4k
6k
GAIN LEVEL
V4 V5 V5
MID
LEVEL
300
3k
700
1.5k
1k
1+
1-
V8
V9 V10
V11
V13 V15
V12 V14 V16
V9 V10

Related product manuals