EasyManua.ls Logo

Creative SB0100 - Connecting Peripherals to the Sound Blaster Live! Card; Playing Games and Music, and Watching Movies; Watching DVD Movies or Playing DVD Games

Creative SB0100
66 pages
Print Icon
To Next Page IconTo Next Page
To Next Page IconTo Next Page
To Previous Page IconTo Previous Page
To Previous Page IconTo Previous Page
Loading...
1-6 Installing Sound Blaster Live! Player 5.1
Playing Games and Music,
and Watching Movies
with 4.1 or 5.1 Digital Speaker
Systems
Sound Blaster
Live! card
Connect for downmix audio only when
a Dolby Digital (AC-3) decoder
speaker system is not available.
Digital
DIN
MPEG2 decoder card
Dolby Digital
(AC-3)
SPDIF In
Dolby Digital (AC-3)
SPDIF Out jack
Analog Line and Rear Inputs
Digital
DIN
FourPointSurround
or DeskTop Theater
Digital Speakers
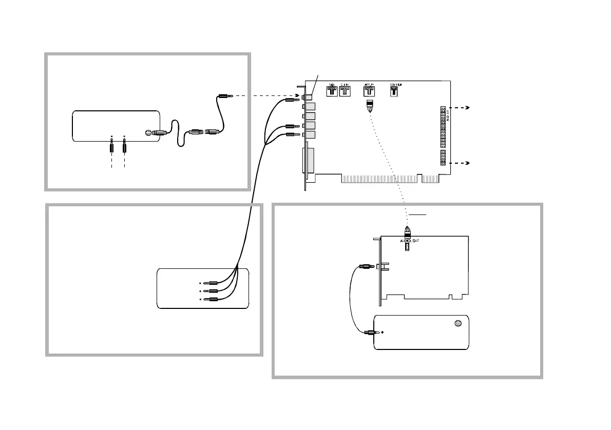
Watching DVD Movies
or Playing DVD Games
with Creative PC-DVD
and DeskTop Theater 5.1
Digital Speaker System
Connects to the
Optical Digital I/O card
or Live! Drive
(see next page).
Minijack-to-DIN
cable
DeskTop Theater 5.1 Digital
Speaker System
Analog/Digital
Out jack
Figure 1-4: Connecting peripherals to the Sound Blaster Live! card.
Playing Games and Watching Movies
with an Analog 5.1 channel speaker
system*
Analog
Front, Rear
and Centre/
Sub Inputs
5.1 Channel
Analog Speaker
System*
* e.g., DTT2200 Speaker
System from Cambridge
SoundWorks
Triple stereo
audio cable
RCA cable

Table of Contents

Related product manuals