EasyManua.ls Logo

Crem EX3 MINI 1GR - Page 15

Default Icon
24 pages
Print Icon
To Next Page IconTo Next Page
To Next Page IconTo Next Page
To Previous Page IconTo Previous Page
To Previous Page IconTo Previous Page
Loading...
15
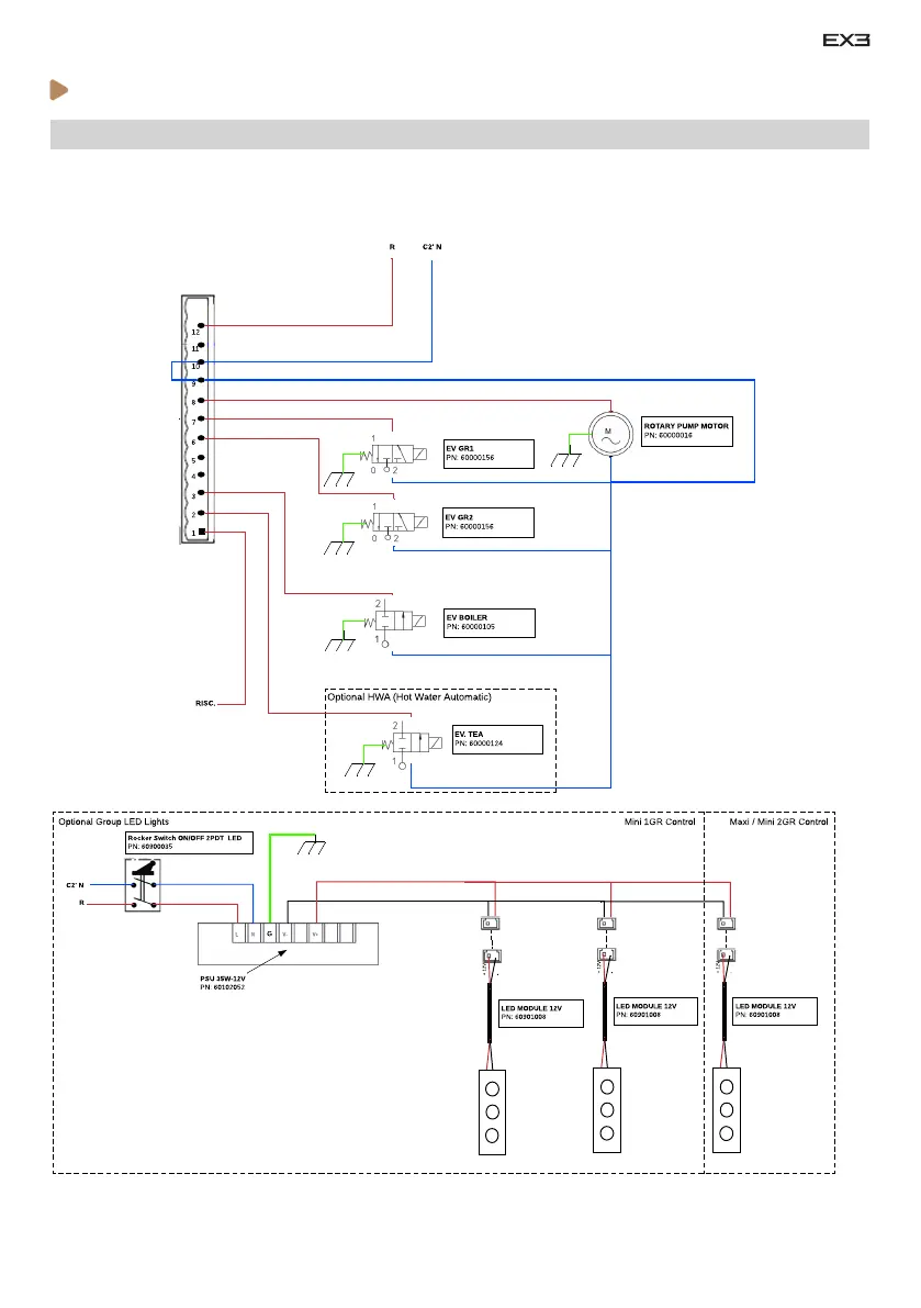
ELECTRICAL DIAGRAMS
EX3 1B CONTROL
1Ph+N 220-240V
· PCB & LED lights connections - EX3 1B Control Versions

Related product manuals