EasyManua.ls Logo

CROSSRC EMOX2 - Suspension Linkage Assembly; Front and Rear Linkage Installation

Default Icon
54 pages
Print Icon
To Previous Page IconTo Previous Page
To Previous Page IconTo Previous Page
Loading...
1
EMOX2
41336
41336
223901
223903
41336
223903
41699
223903
41336
41751
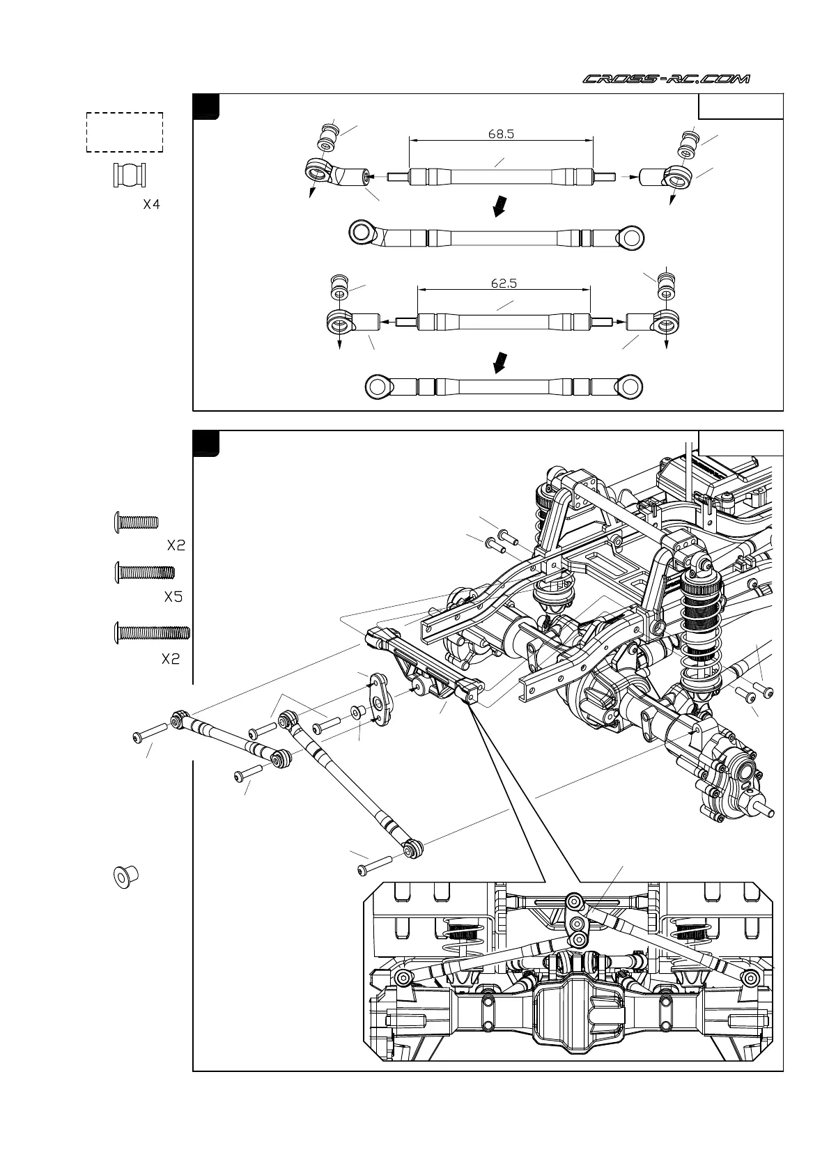
62.5mm
68.5mm
68.5mm
62.5mm
11211
M3x18
M3x14
11209
11207
M3x10
11207
11209
11207
11209
11209
11209
11211
11211
228404
41205
228403
2
41336
41205
BAG(Z)
68.5mm
62.5mm
223901
EMOX2
54

Related product manuals