EasyManua.ls Logo

Crown D-75 - Page 61

Crown D-75
64 pages
Print Icon
To Next Page IconTo Next Page
To Next Page IconTo Next Page
To Previous Page IconTo Previous Page
To Previous Page IconTo Previous Page
Loading...
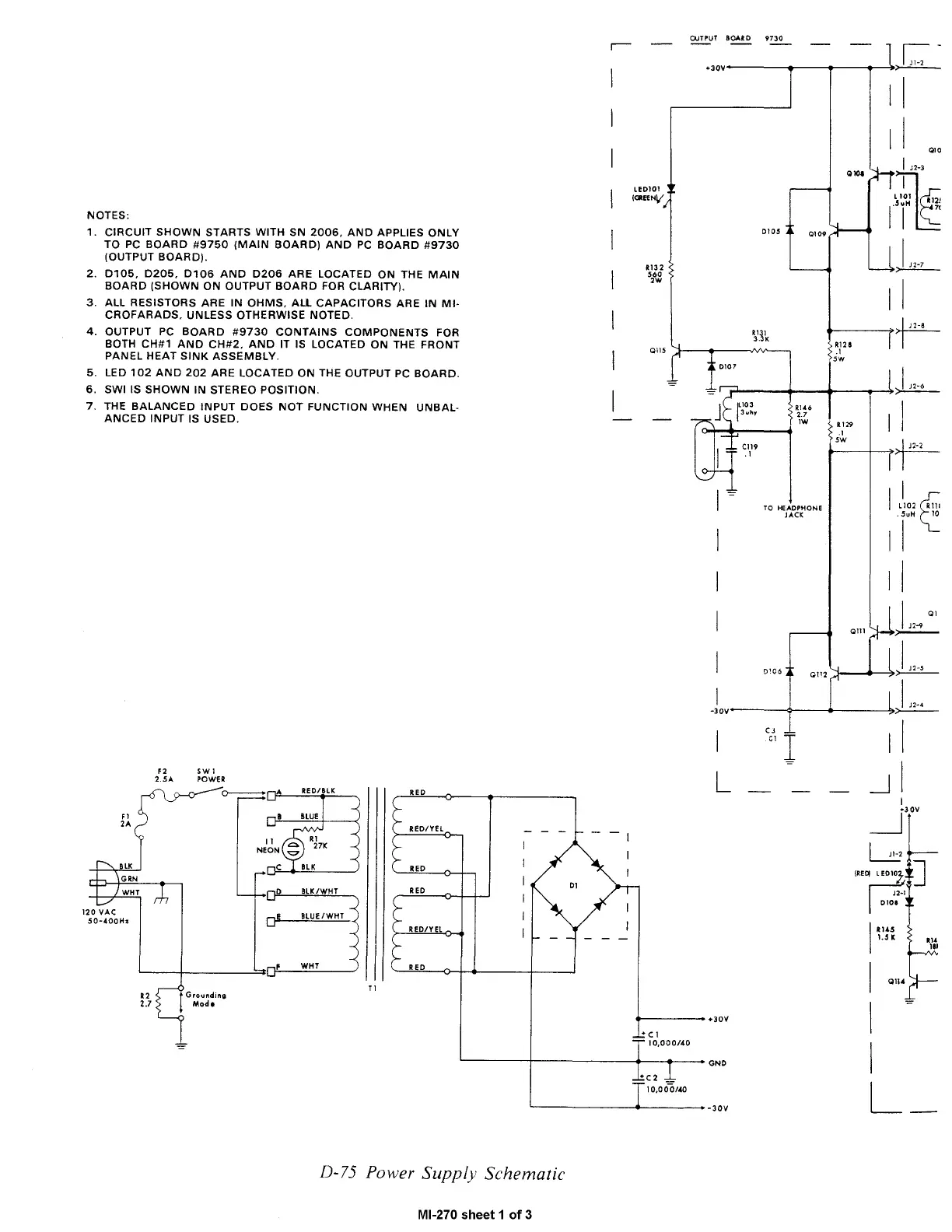
NOTES:
1.
CIRCUIT
SHOWN
STARTS
WITH
SN
200S,
AND
APPLIES
ONLY
TO
PC
BOARD
#9750
(MAIN
BOARD)
AND
PC
BOARD
#9730
(OUTPUT
BOARD).
2.
0105, 0205,
D10S
AND
D20S
ARE LOCATED ON THE
MAIN
BOARD
(SHOWN
ON
OUTPUT
BOARD
FOR CLARITY).
3.
ALL RESISTORS
ARE
IN
OHMS,
ALL
CAPACITORS
ARE IN
MI·
CROFARADS,
UNLESS OTHERWISE
NOTED.
4.
OUTPUT
PC
BOARD
#9730
CONTAINS
COMPONENTS
FOR
BOTH CH#1
AND
CH#2,
AND
IT IS LOCATED ON THE
FRONT
PANEL
HEAT
SINK
ASSEMBLY.
5. LED
102
AND
202
ARE
LOCATED
ON
THE OUTPUT
PC
BOARD.
S. SWI IS
SHOWN
IN STEREO
POSITION.
7,
THE
BALANCED
INPUT
DOES
NOT
FUNCTION
WHEN
UNBAL·
ANCED
INPUT IS
USED.
FI
2.0.
120
VAC
50-400Hz.
R2
2.7
F2
2.5.0.
SWI
POWER
o
BlK/WHT
O.s.E
_-"B",lU",E.!.../W",He"T_-<
WHT
RED
REo/YEl
RED
RED
RED/VEL
RED
TI
lEOlO1
IGREENV
R132
560
2w
Ql15
OUTPUT BOARD
9730
+30v----
__
--_--_4'
I
J1'2
.
0105
Q109
\',~'.
C119
,I
R1A.6
2.7
IW
TO
HEADPHONE
JACk
QlO,
R128
,I
SW
RI29
"
sw
Q,O
I
Ll01
~
rTc
D~
06
'j._
......
>--~JBc~
Qlt2~
~
.30v----~--~---~k
L
I I
~I
I
~L
IREO!
LEDIO}!]
~
I
Dl01
1..51
1
01'5
I
QII'
0"
III
....
----.30V
I
~----r-------_+-~>----+GNo
I
L_
~------~-----+·30V
D-75 Power
Supply
Schematic
MI-270 sheet 1
of
3

Other manuals for Crown D-75

Related product manuals