EasyManua.ls Logo

Crown PIP-LITE - AUX Output Control of a Relay; 7 Advanced Features and Options; Using the aux Connector; AUX Output

Crown PIP-LITE
68 pages
Print Icon
To Next Page IconTo Next Page
To Next Page IconTo Next Page
To Previous Page IconTo Previous Page
To Previous Page IconTo Previous Page
Loading...
page 53
Reference Manual
Networked PIP Series
7 Advanced Features and Options
7.1 Using the AUX Connector
The AUX connector offers a means to tap some of the flexibility of the Harman Pro System
Architect or Crown IQ System. It can be used to enable peripherals, send a signal to another
system component, and send a line-level audio signal of the amplifier's output.
The AUX connector is an RJ-11 type. Pins 3 and 4 are used as a control output. Pins 2 and
3 function as a control input. Pin 5 is a voltage supply pin for use with the control input.
Pins 1 and 6 support the Listen Bus or Foldback feature in the IQ-PIP-Lite and IQ-PIP-
USP3 only.
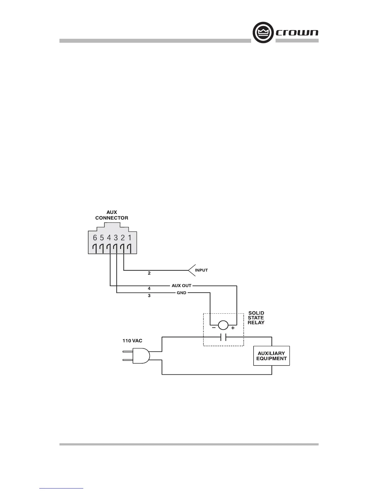
7.1.1 AUX Output
The AUX output provides a +15 VDC output, current limited to 10 mA, which can be
switched on or off under software control. In its basic mode, the AUX output can be used to
control auxiliary equipment. To control AC-line-powered equipment the AUX output must
actuate a relay. The relay would then turn on the auxiliary equipment. See Figure 7.1.
Figure 7.1 AUX Output Control of a Relay

Table of Contents

Related product manuals