EasyManua.ls Logo

Cub Cadet 1517 - Attachments and Accessories Guide

Cub Cadet 1517
44 pages
Print Icon
To Next Page IconTo Next Page
To Next Page IconTo Next Page
To Previous Page IconTo Previous Page
To Previous Page IconTo Previous Page
Loading...
-31-
14
12
13
8
9
10
6
7
16
17
18
19
20
11
1
2
3
21
22
4
5
15
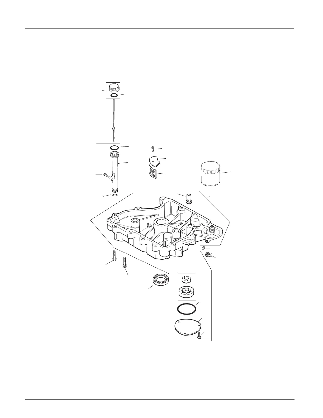
ENGINE OIL PAN & LUBRICATION

Other manuals for Cub Cadet 1517

Related product manuals