EasyManua.ls Logo

Cub Cadet 364, 365, 365L

Cub Cadet 364, 365, 365L
56 pages
To Next Page IconTo Next Page
To Next Page IconTo Next Page
To Previous Page IconTo Previous Page
To Previous Page IconTo Previous Page
Loading...
34
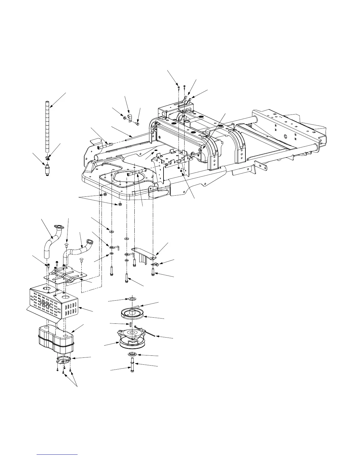
Model 365
1
2
3
4
5
6
7
8
9
10
11
12
13
14
16
17
18
15
21
22
23
25
8
26
27
29
31
28
30
33
32
34
35
37
36
40
38
39
19
20
24

Related product manuals