EasyManua.ls Logo

Cub Cadet RT 65 - 170-T0 B Crankcase

Cub Cadet RT 65
92 pages
Print Icon
To Next Page IconTo Next Page
To Next Page IconTo Next Page
To Previous Page IconTo Previous Page
To Previous Page IconTo Previous Page
Loading...
38
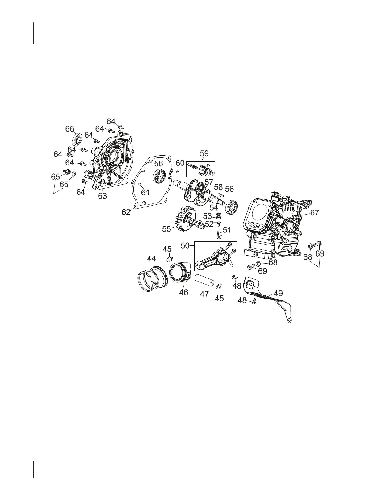
170-T0B Crankcase
Ref.
Part Number Description
44 951-11253 Piston Ring Set
45 951-11632 Piston Pin Snap Ring
46 951-12007 Piston
47 951-11633 Piston Pin
48 710- 04915 Bolt M6×12
49 951-11113 Air Shield
50 951-11573 Connecting Rod Assembly
51 951-11356 Governor Arm Shaft
52 736-04461 Washer 5.2×1.9
53 951-11574 Governor Seal
54 714-04074 Cotter Pin
55 951-11575 Camshaft Assy.
56 951-113 69 Radial Ball Bearing, 6205
57 951-12160 Crankshaft Assembly
58 951-10307 Woodru Key
59 951-11576 Governor Gear/Shaft Assembly
a
113
112

Other manuals for Cub Cadet RT 65

Related product manuals