EasyManua.ls Logo

Cushman Shuttle 6 - J-1 Pin Connector Diagnostics

Cushman Shuttle 6
196 pages
Print Icon
To Next Page IconTo Next Page
To Next Page IconTo Next Page
To Previous Page IconTo Previous Page
To Previous Page IconTo Previous Page
Loading...
Page F-10
Repair and Service Manual
B
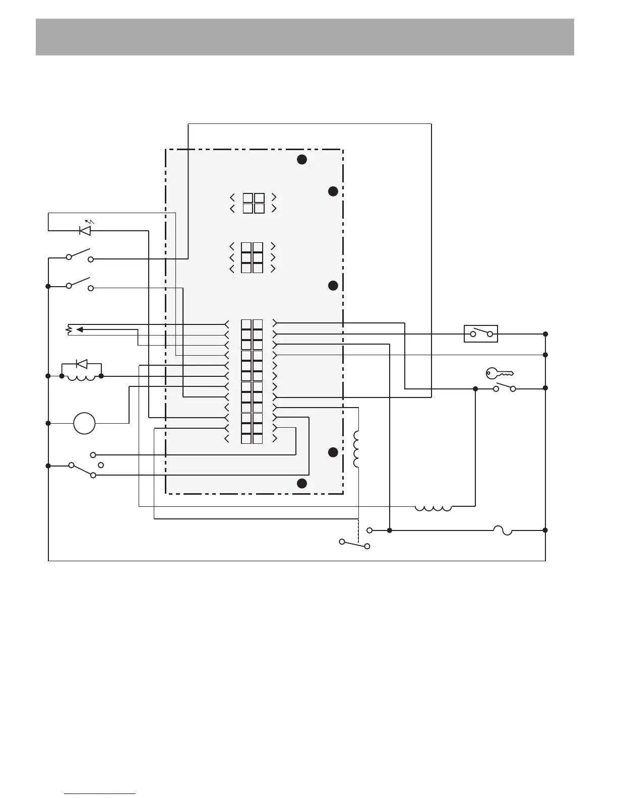
ELECTRONIC SPEED CONTROL
Read all of Section B and this section before attempting any procedure. Pay particular attention to Notices, Cautions, Warnings and Dangers.
Fig. 11 J-1 Pin Connector Diagnostics
1
2
3
4
5
6
7
8
9
10
11
12
13
14
15
16
17
18
19
20
21
22
23
24
J1
1
2
3
4
5
6
J2
1
2
3
4
J3
F2
Charger Interlock
Switch (Optional)
Walkaway
Fuse
(20A)
B+
+
+
M-
B-
-
-
F
1
F
R
N
Key Switch
F
orward
Reverse
Mode (M1,M2)
R
everse Alarm
Pedal Interlock
Brake Light Relay
Logic Enable
Pot High
Throttle
Pot
Pot Low
Pot Wiper
Ground
LED Driver
Fuse Sense
Walk Away Return
Walk Away Driver
KSI
L
ogic Power
Main Contactor

Table of Contents

Related product manuals