EasyManua.ls Logo

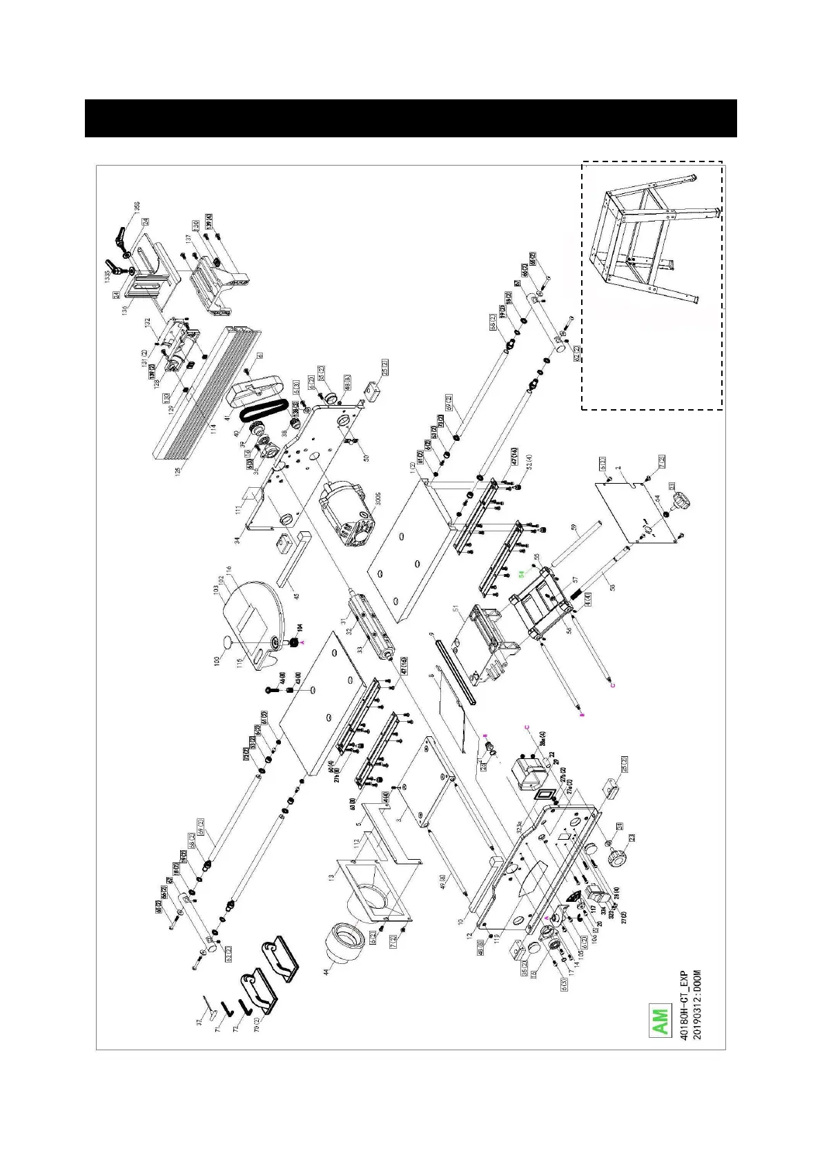
Cutech 40180H - Jointer Parts Diagram and List

Cutech 40180H
40 pages
Print Icon
To Next Page IconTo Next Page
To Next Page IconTo Next Page
To Previous Page IconTo Previous Page
To Previous Page IconTo Previous Page
Loading...
37
PARTS
OPTIONAL
80200-CT
LEG SET

Related product manuals