EasyManua.ls Logo

DAEWOO ELECTRONICS DWF-7570DP - Gear Mechanism Assy

DAEWOO ELECTRONICS DWF-7570DP
42 pages
Print Icon
To Next Page IconTo Next Page
To Next Page IconTo Next Page
To Previous Page IconTo Previous Page
To Previous Page IconTo Previous Page
Loading...
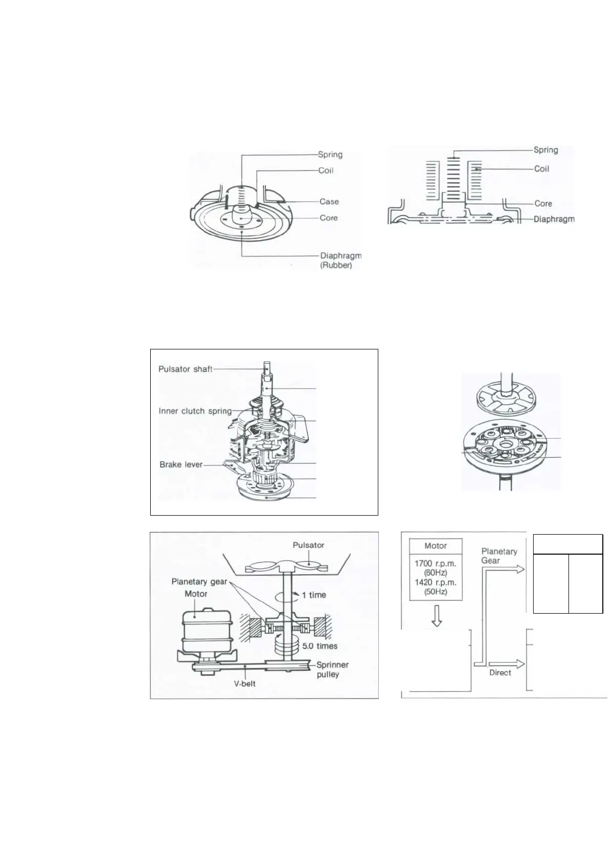
WATER LEVEL SWITCH
Water pressure of air room which is at the side of outer-tub is transmitted to the air room in the water leVE
switch through air-tube. Diaphragm moves up and down by the transmitted pressure to move the core.
Movement of core transforms the inductance of coil by Henly's Law.
The generative frequency (Hertz) is obtained by this transformation of the coil inductance in the LC genes
tive circuit.
GEAR MECHANISM ASS'Y
The proper water currents is made by the rotation of pulsator at a low speed (about 145 r.p.m) to prever
the damage to the small sized clothes.
Spinner shaft
Planetary gear
Clutch spring
Clutch boss
Spinner pulley
10
Case
Air-pressure
`i
~
c
Planetary gear
Spinner Pulley
650 r.p.m.
(60Hz)
740 r.p.m.
(50Hz)
Sun gear
I
nternal gear
TUB
650 r.p.m.
(60Hz)
740 r.p.m.
(50Hz)
Pulsator
140 r.p.m.
60 r.p.m.
(60Hz)
(60Hz)
150 r.p.m.
70 r.p.m.
(50Hz)
(50Hz)
Dry/silk

Related product manuals