EasyManua.ls Logo

Daewoo 14A5 - Page 30

Daewoo 14A5
84 pages
Print Icon
To Next Page IconTo Next Page
To Next Page IconTo Next Page
To Previous Page IconTo Previous Page
To Previous Page IconTo Previous Page
Loading...
30
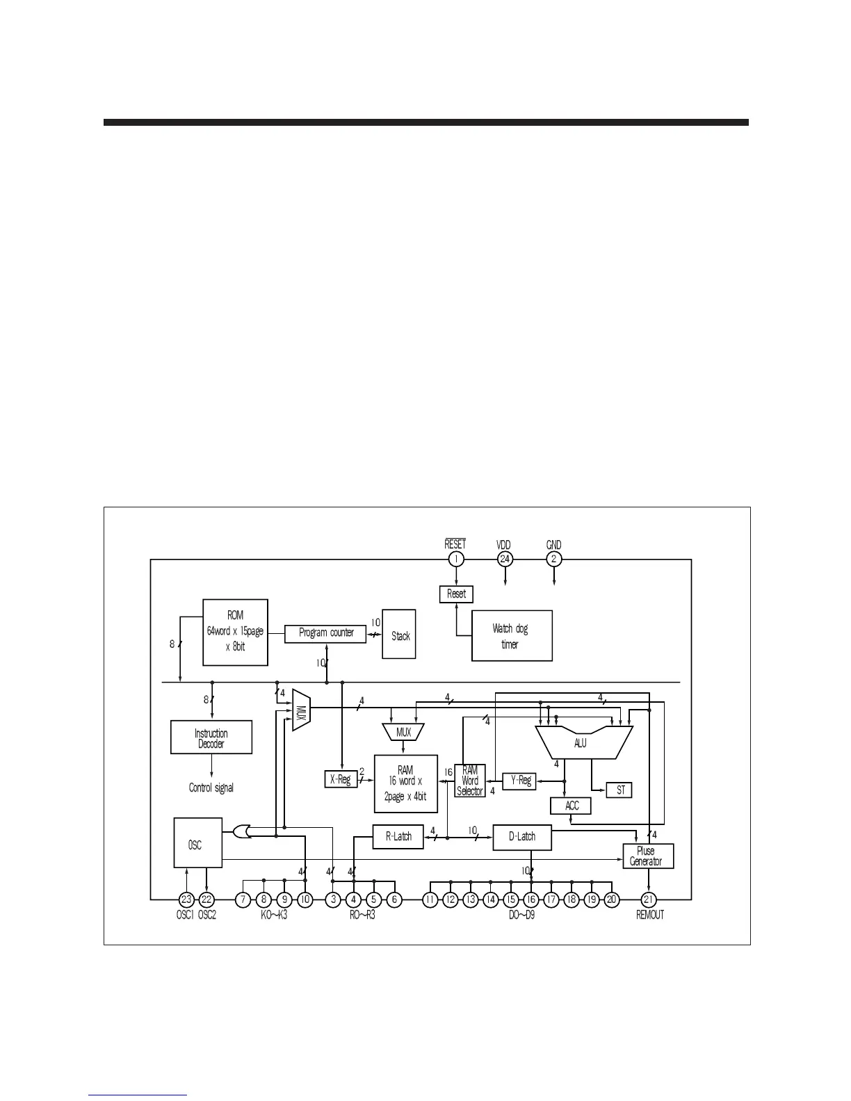
GMS30112-R098 (4-bit Single Chip Microcomputer for Remote control)
(1) General Description
The GMS30112-R098 is 4-bit single chip CMOS microcomputer.
(2) Feature
program memory : 1024 bytes
data memory : 32 x 4 bits
43 types of instruction set
3 levels of subroutine nesting
1 bit output port for a large current (REMOUT signal)
operating frequency : 300kHz - 1 MHz
instruction cycle : 12.5 usec @ 480kHz
CMOS process ( single 3.0 V power supply )
stop mode (through internal instruction)
released stop mode by key input (masked option)
built in capacitor for ceramic oscillation circuit (masked option)
built in a watch dog timer(WDT)
low operating voltage (2.0 V to 4.0 V)
(3) Block Diagram

Related product manuals