EasyManua.ls Logo

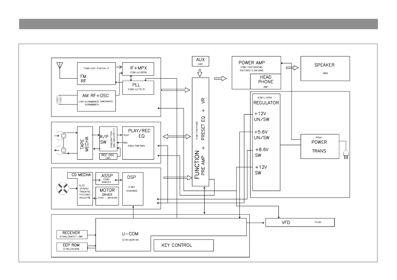
Daewoo AMI-V225M - Block Diagram

Daewoo AMI-V225M
25 pages
Print Icon
To Next Page IconTo Next Page
To Next Page IconTo Next Page
To Previous Page IconTo Previous Page
To Previous Page IconTo Previous Page
Loading...
- 8 -
Model No:AMI-V225M/V325M
BLOCK DIAGRAM

Related product manuals