EasyManua.ls Logo

Daewoo AMI-V225M - Tape

Daewoo AMI-V225M
25 pages
Print Icon
To Next Page IconTo Next Page
To Next Page IconTo Next Page
To Previous Page IconTo Previous Page
To Previous Page IconTo Previous Page
Loading...
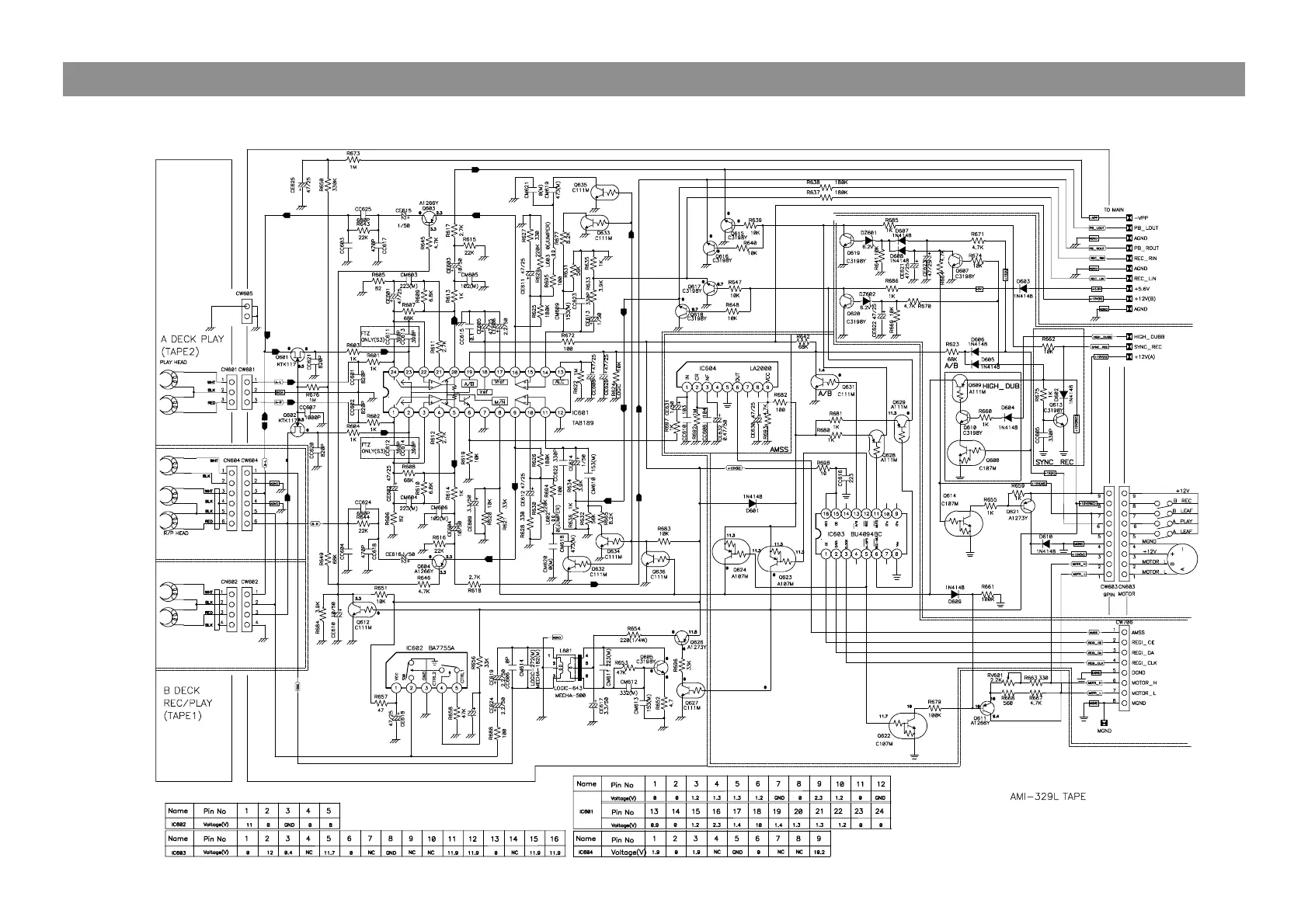
Schemetic Diagram
- 12 -
Model No:AMI-V225M/325M
Ass'y Name: TAPE

Related product manuals