EasyManua.ls Logo

Daewoo D-NT1011 - Wiring Diagram

Daewoo D-NT1011
30 pages
Print Icon
To Next Page IconTo Next Page
To Next Page IconTo Next Page
To Previous Page IconTo Previous Page
To Previous Page IconTo Previous Page
Loading...
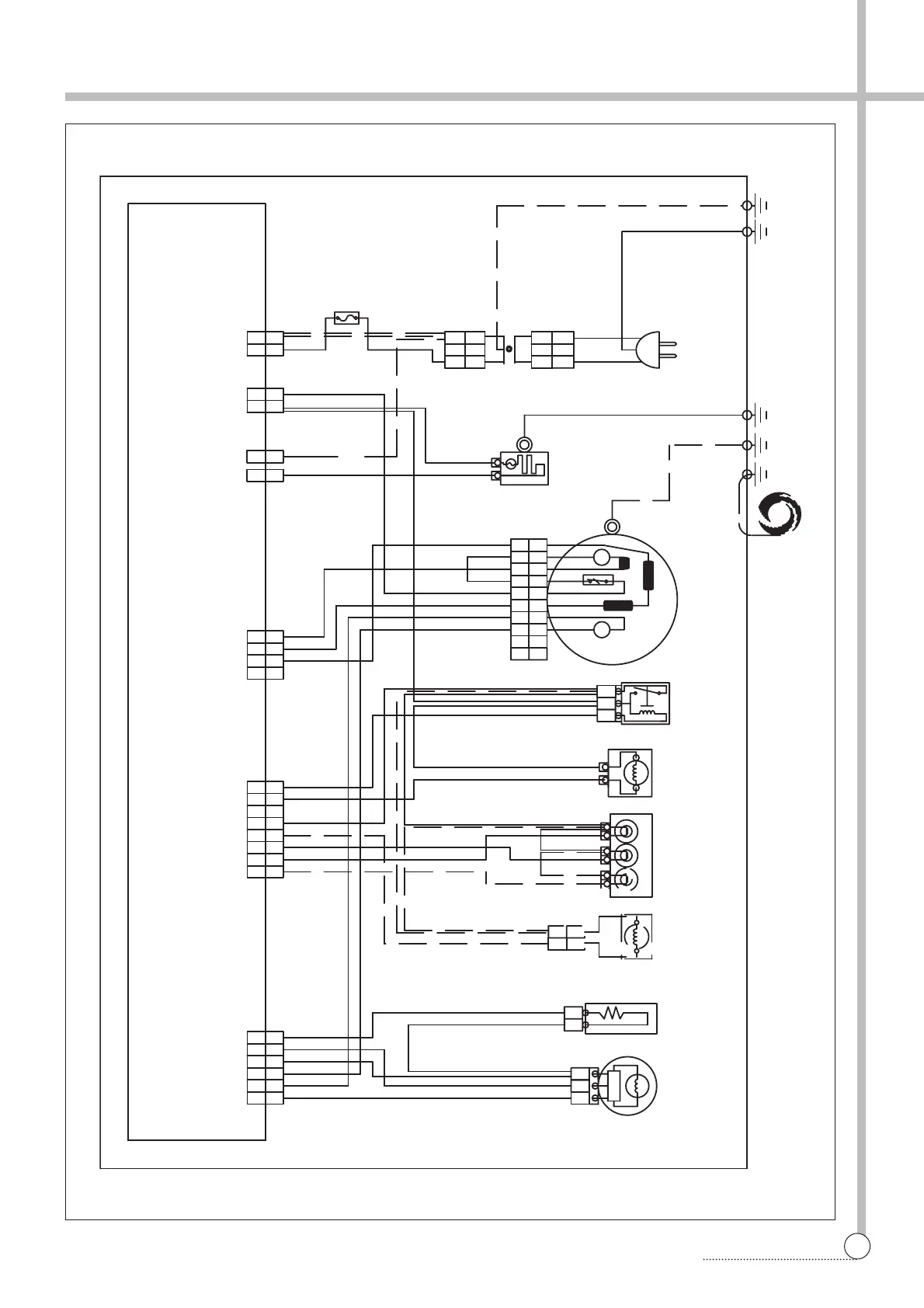
10. WIRING DIAGRAM
27
WIRING DIAGRAM
MAIN PCB
BUBBLE PUMP
THERMISTOR
12
GND
Signal
3
1 2
WH
1
1
VALVE INLET
HOT
PRE
BL
2
2
COLD
MOTOR
PUMP
BL
Vdd1
OR
GY
BK
21
12
RD
PK
YW
43
34
65
5
6
WH
BL
1
RD
32
YW
PK
45
VT
76
BK
8
BL (N)
BL
R
9
9
SWITCH
DOOR LOCK
31 2
1
1
MOTOR MAIN
5
5
T
3
3
2
2
4
4
7
7
6
6
8
8
(OPTION)
EARTH OUTER
(1800W)
GN/YW
HEATER WASH
10
10
RING
RING
RING
4
4
2
23
WH
PK
3
1
GN
1
RY1-HO
RY8-HI
RD
2 1
~15A 250V
~10A 250V
POWER CORD
213
BR (L)
3 2 1
GN/YW
RING
RING
GN/YW
32
3 2
1
1
GN
BR
12
(OPTION)
(OPTION)
SENSOR
PRESSURE
BR
FUSE
~15A 250V
LINE FILTER
RING
~16A 250V
(OPTION)
(OPTION)
2 1
2 112345678
R.S/WWF-1
RY-8
WF-3WF-2WF-5
(UNIVERSIAL)
RING
YL
BL

Related product manuals