EasyManua.ls Logo

Daewoo DSB-092A - Page 87

Daewoo DSB-092A
147 pages
Print Icon
To Next Page IconTo Next Page
To Next Page IconTo Next Page
To Previous Page IconTo Previous Page
To Previous Page IconTo Previous Page
Loading...
82
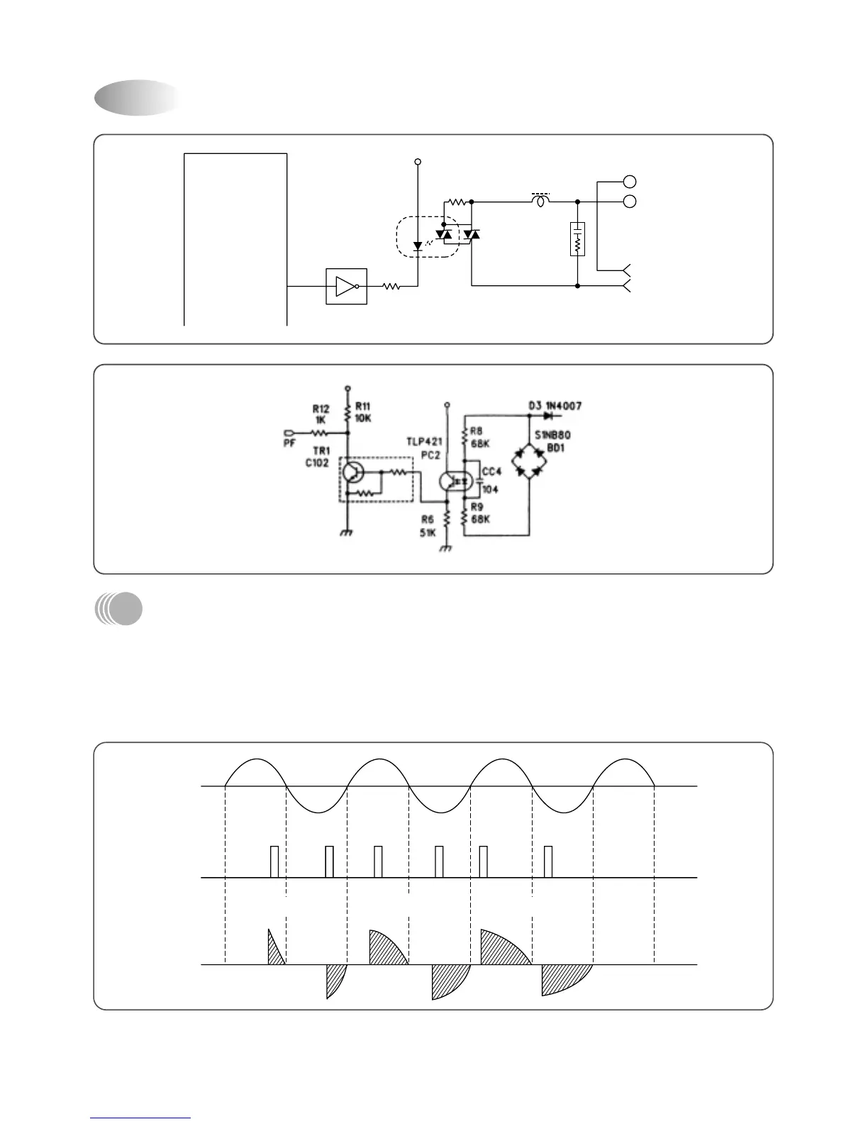
Triac Driving(4)
DESCRIPTION
Number 38 Terminal of Micom is put out Pulse Output, by way of Buffer it is driving Photo Triac is supplied
Trigger Signal.
Trigger Test of Triac is detected Zero Cross Part of AC input and it is triggered from Zero Cross part to Time
delay part according to Fan Speed. (Ref. Fig 4-1) SN1 is Snubber.
N
L
AC 220V
TO MOTOR
T1
SM3JZ47
L1
12
130µH
3A
SN1
0.1µF
120Ohm
TLP561
PT1
12V
R5
1K
1/2W
IC4
KID 65004
MICOM
38
215
AC220V
TRIGGER
MOTOR
INPUT
LOW SPEED MEDIUM SPEED HIGH SPEED
Fig 4-1
LOW SPEED
MEDIUM SPEED
HIGH SPEED

Related product manuals