EasyManua.ls Logo

Daewoo DWD-1211RT - Page 6

Daewoo DWD-1211RT
59 pages
Print Icon
To Next Page IconTo Next Page
To Next Page IconTo Next Page
To Previous Page IconTo Previous Page
To Previous Page IconTo Previous Page
Loading...
4
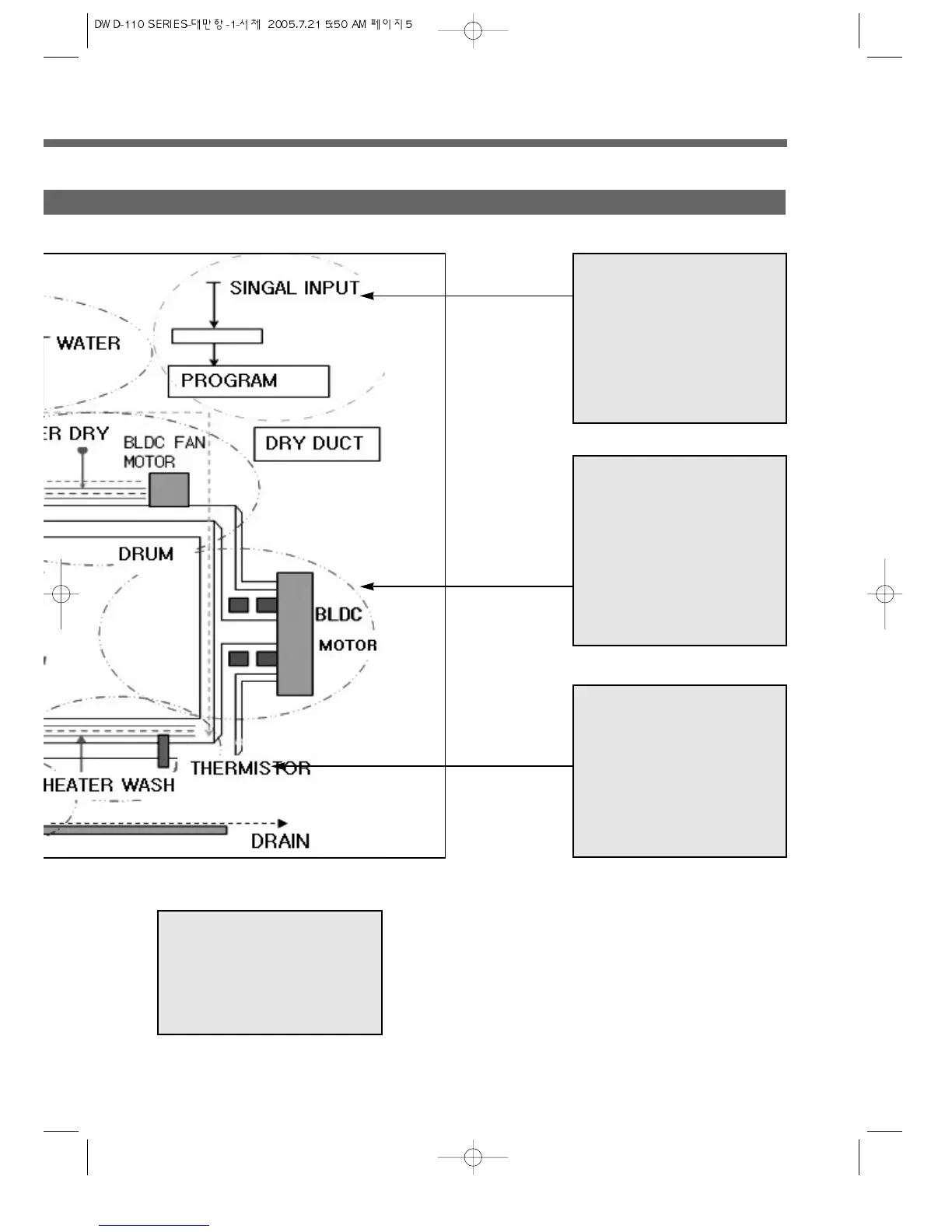
1. CONTROLLER
MAIN PCB
FRONT PCB
HARNESS
NOISE FILTER
POWER CORD : 15A
2. DRIVE PARTS
BLDC MOTOR
DRUM
BEARING
SPIDER/SHAFT
TUB
WEIGHT BALANCER
4. WASH HEATING
WASH HEATER : 1000W
THERMISTOR
30FIXED TEMP. CONTROL
50,60BOIL
8. SUPPORTER
BASE
DAMPER AS : 3(70N)

Related product manuals