EasyManua.ls Logo

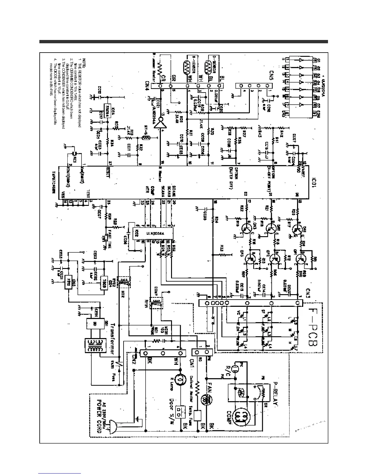
Daewoo ERF-384 - 12. MAIN PCB DIAGRAM; ERF-364 A; 384 A; 394 A; 414 A

Daewoo ERF-384
67 pages
Print Icon
To Next Page IconTo Next Page
To Next Page IconTo Next Page
To Previous Page IconTo Previous Page
To Previous Page IconTo Previous Page
Loading...
5 9
12. MAIN PCB DIAGRAM (ERF-364A / 384A / 394A / 414A)

Related product manuals